Carburetor assy COMPONENT PARTS
Carburetor assy COMPONENT PARTS
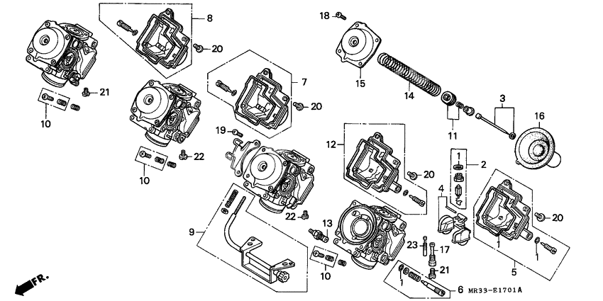
Valve set, float (Ref #2)
2
Part #16011-MT6-601
NEEDLE SET,JET (Ref #3)
3
Part #16012-MR3-881
FLOAT SET (Ref #4)
4
Part #16013-KT7-003
Chamber set, float (Ref #5)
5
Part #16043-MN4-013
Screw set (Ref #6)
6
Part #16016-MR3-781
Chamber set, float (Ref #7)
7
Part #16023-MN4-013
Chamber set, float (Ref #8)
8
Part #16023-MT6-601
Screw set (Ref #9)
9
Part #16028-MN4-013
PLATE SET (Ref #11)
11
Part #16037-KY2-003
Valve set, starter (Ref #13)
13
Part #16046-KY2-711
Spring,compr.coil (Ref #14)
14
Part #16050-MR3-881
Верх (Ref #15)
15
Part #16107-MN4-003
Piston, vacuum (Ref #16)
16
Part #16111-MN4-003
Holder, needle jet (Ref #17)
17
Part #16165-MT6-601
Болт (Ref #18)
18
Part #93500-040-100-A
Болт (Ref #19)
19
Part #93500-040-120-A
Jet, main (#108) (Ref #21)
21
Part #99101-GHB-1080
Jet, main (#108) (Ref #21)
21
Part #99101-GHB-1080
Jet, main (#108) (Ref #21)
21
Part #99101-GHB-1080
Jet, main (#108) (Ref #21)
21
Part #99101-GHB-1080
Жиклер (Ref #23)
23
Part #99103-MV9-0380
-
516015-MN4-013
Chamber set, float
1Replaced by 16043-MN4-013 Доступно: Нет в наличии
-
2093892-0401610
Screw-washer, 4x16
16Replaced by 93892-0401600 Доступно: Нет в наличии
