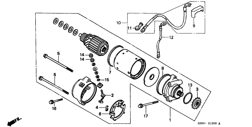
Starting motor
Starting motor
Motor assy., starter (Ref #1)
1
Part #31200-KW4-018
Terminal set, brush (Ref #2)
2
Part #31201-KS5-901
Звездочка (Ref #3)
3
Part #31202-216-154
Spring, carbon brush (Ref #4)
4
Part #31204-KS5-901
Bolt, setting (Ref #5)
5
Part #31205-KC1-901
Bolt, setting (Ref #5)
5
Part #31205-KC1-901
Bolt, setting (Ref #5)
5
Part #31205-KC1-901
Bolt, setting (Ref #5)
5
Part #31205-KC1-901
Holder set, brush (Ref #6)
6
Part #31206-MN4-008
RING (Ref #7)
7
Part #31207-KS5-901
Ring, seal (Ref #8)
8
Part #31207-179-711
Cover b (Ref #9)
9
Part #32406-KR3-870
Кабель стартера (Ref #10)
10
Part #32410-KEB-900
Cover, starter motor terminal (Ref #11)
11
Part #32411-230-000
Cable (Ref #12)
12
Part #32601-KR3-870
O-ring, pinion cap (Ref #13)
13
Part #53438-611-000
Nut-washer, 6mm (Ref #14)
14
Part #90071-MB0-000
Nut-washer, 6mm (Ref #14)
14
Part #90071-MB0-000
Nut-washer, 6mm (Ref #14)
14
Part #90071-MB0-000
Nut-washer, 6mm (Ref #14)
14
Part #90071-MB0-000
Прокладка (Ref #15)
15
Part #91320-MB0-000
BOLT (Ref #16)
16
Part #96001-060-250-0
BOLT (Ref #17)
17
Part #96001-060-650-0
-
1132411-253-000
Cover, starter motor terminal
1Replaced by 32411-230-000 Доступно: Нет в наличии
-
-
Цена: 140.00 р.
Доступно: 0
-
-
-
Цена: 280.00 р.
Доступно: 1
-
