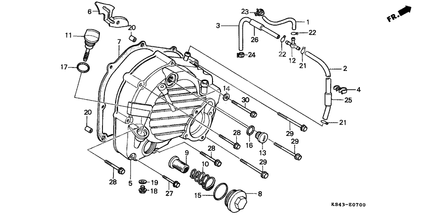
Right crankcase cover
Right crankcase cover
Tube, breather (Ref #1)
1
Part #11107-KS4-000
Tube b, breather (Ref #2)
2
Part #11108-KS4-000
Tube c, breather (Ref #3)
3
Part #11109-KS4-000
Clamp, pipe (Ref #4)
4
Part #11152-KS4-003
Cover, r (Ref #5)
5
Part #11330-KS4-000
Плата сапуна (Ref #6)
6
Part #11338-KM1-010
Gasket, r. cover (Ref #7)
7
Part #11394-KS4-690
Cap, tappet adjusting hole (Ref #8)
8
Part #12361-300-000
Screen, oil filter (Ref #9)
9
Part #15421-107-000
Пружина (Ref #10)
10
Part #15426-KM1-003
Dipstick, oil (Ref #11)
11
Part #15651-KM1-000
Joint, fuel tube (Ref #12)
12
Part #16958-MB1-000
Cap, alternator (Ref #13)
13
Part #90084-471-000
Washer a, 6mm (Ref #14)
14
Part #90478-700-000
O-ring, 30.8mm (Ref #15)
15
Part #91302-001-020
O-ring, 13.8x2.5 (Ref #16)
16
Part #91303-377-000
Прокладка (Ref #17)
17
Part #91307-035-000
BOLT (Ref #18)
18
Part #92800-12000
Шайба (Ref #19)
19
Part #94109-12000
Dowel pin (Ref #20)
20
Part #94301-08140
Dowel pin (Ref #20)
20
Part #94301-08140
Dowel pin (Ref #20)
20
Part #94301-08140
Dowel pin (Ref #20)
20
Part #94301-08140
CLIP (Ref #21)
21
Part #95002-02100
CLIP (Ref #21)
21
Part #95002-02100
CLIP (Ref #21)
21
Part #95002-02100
CLIP (Ref #21)
21
Part #95002-02100
CLIP (Ref #22)
22
Part #95002-02120
CLIP (Ref #22)
22
Part #95002-02120
CLIP (Ref #22)
22
Part #95002-02120
CLIP (Ref #22)
22
Part #95002-02120
CLAMP (Ref #23)
23
Part #95002-412-000-8
CLAMP (Ref #24)
24
Part #95002-412-500-8
V.tube,11x13x170 (Ref #25)
25
Part #95003-360-172-0
Tube,14x35 (Ref #26)
26
Part #95005-140-353-0
BOLT (Ref #27)
27
Part #96001-060-280-0
Болт (Ref #30)
30
Part #96001-0608007
-
812361-035-000
Cap, tappet adjusting hole
1Replaced by 12361-300-000 Доступно: Нет в наличии
-
-
Цена: 110.00 р.
Доступно: 2
-
-
-
Цена: 280.00 р.
Доступно: 2
-
-
-
Цена: 230.00 р.
Доступно: 0
-
