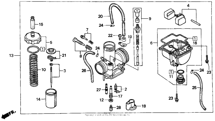
Carburetor
Carburetor
Valve set, float (Ref #2)
2
Part #16011-GBF-B41
Needle set, jet (Ref #3)
3
Part #16012-GBF-840
FLOAT SET (Ref #4)
4
Part #16013-GBF-840
Top set (Ref #5)
5
Part #16014-GBF-840
Chamber set, float (Ref #6)
6
Part #16015-GBF-840
Screw set, a (Ref #7)
7
Part #16016-GB4-003
Screw set (Ref #8)
8
Part #16028-GBF-840
Valve set, starter (Ref #9)
9
Part #16046-KA5-771
Пружина (Ref #10)
10
Part #16050-GC4-731
Packing, cock (Ref #11)
11
Part #16075-GHB-B00
Nut, hex (Ref #12)
12
Part #16096-HC0-003
Карбюратор (Ref #13)
13
Part #16100-GBF-840
Клапан дросселя (Ref #14)
14
Part #16111-GC4-711
Крышка уплотнения (Ref #15)
15
Part #16118-166-004
Прокладка (Ref #16)
16
Part #16163-KBA-850
Жиклер игольчатый (Ref #17)
17
Part #16164-GC4-601
Holder, jet (Ref #18)
18
Part #16168-GC4-701
Крепёж (Ref #19)
19
Part #16179-428-671
Tube, vinyl (Ref #20)
20
Part #16199-GBF-840
PLATE SET (Ref #21)
21
Part #16212-GC4-701
Screw-washer (Ref #22)
22
Part #93892-040-080-8
Болт (Ref #23)
23
Part #93500-040-160-H
Болт (Ref #23)
23
Part #93500-040-160-H
Болт (Ref #23)
23
Part #93500-040-160-H
Болт (Ref #23)
23
Part #93500-040-160-H
Bulk hose (4x7x8000) (Ref #25)
25
Part #95003-070-0860M
Жиклер (Ref #27)
27
Part #99103-4400500
Jet, main (#125) (Ref #28)
28
Part #99101-3571250
