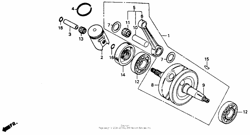
Crankshaft
Crankshaft
Вал коленчатый (Ref #1)
1
Part #13000-GC4-601
PISTON (Ref #2)
2
Part #13110-GC4-505
Палец поршня (Ref #3)
3
Part #13111-GC4-600
Ring,piston (rike (Ref #4)
4
Part #13121-GC4-674
Ring.piston top (Ref #4)
4
Part #13121-GC4-673
Rod set, connecting (Ref #5)
5
Part #13200-GC4-600
шатун (Ref #6)
6
Part #13201-GC4-600
PLATE (Ref #7)
7
Part #13202-GC4-600
PLATE (Ref #7)
7
Part #13202-GC4-600
PLATE (Ref #7)
7
Part #13202-GC4-600
PLATE (Ref #7)
7
Part #13202-GC4-600
Crankshaft, r. (Ref #8)
8
Part #13311-GC4-601
Crankshaft, l (Ref #9)
9
Part #13321-GC4-600
Палец шатунный (Ref #10)
10
Part #13382-GC4-710
Палец шатунный (Ref #10)
10
Part #13381-GC4-710
Палец шатунный (Ref #10)
10
Part #13384-GC4-710
Палец шатунный (Ref #10)
10
Part #13383-GC4-710
BEARING (Ref #11)
11
Part #91003-GC4-711
BEARING (Ref #11)
11
Part #91002-GC4-711
BEARING (Ref #11)
11
Part #91001-GC4-711
Bearing (63/22) (Ref #12)
12
Part #91002-KY4-901
Bearing (63/22) (Ref #12)
12
Part #91002-KY4-901
Bearing (63/22) (Ref #12)
12
Part #91002-KY4-901
Bearing (63/22) (Ref #12)
12
Part #91002-KY4-901
BEARING (Ref #13)
13
Part #91102-GC4-601
Oil seal (22x40x8) (Ref #14)
14
Part #91206-GC4-711
Ключ (Ref #15)
15
Part #94401-25140
Clip, piston pin, 14mm (Ref #16)
16
Part #94601-14000
Clip, piston pin, 14mm (Ref #16)
16
Part #94601-14000
Clip, piston pin, 14mm (Ref #16)
16
Part #94601-14000
Clip, piston pin, 14mm (Ref #16)
16
Part #94601-14000
-
-
Цена: 1 480.00 р.
Доступно: 3
-
-
-
Цена: 110.00 р.
Доступно: 6
-
