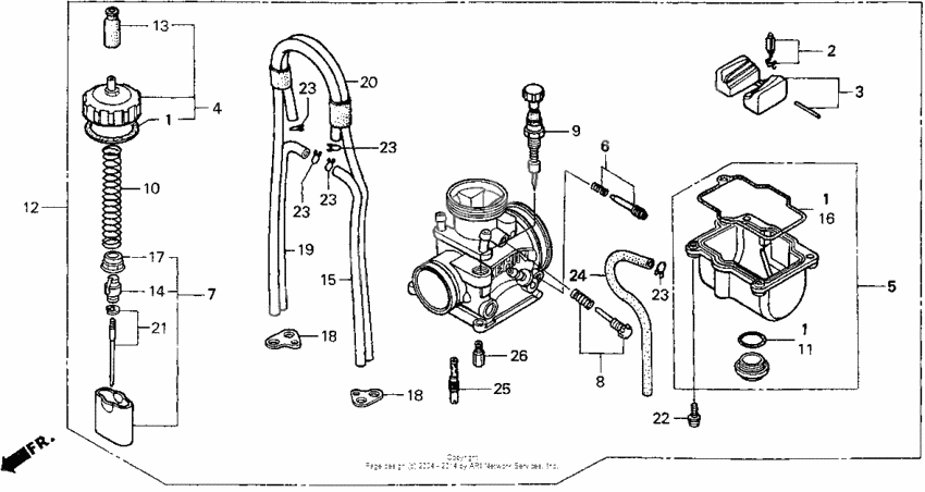
Carburetor 99
Carburetor 99
Valve set, float (Ref #2)
2
Part #16011-KZ3-J11
FLOAT SET (Ref #3)
3
Part #16013-HA2-671
Top set (Ref #4)
4
Part #16014-KZ3-J11
Chamber set, float (Ref #5)
5
Part #16015-VM0-004
Screw set (Ref #6)
6
Part #16016-HA2-004
Valve set, throttle (Ref #7)
7
Part #16022-KZ3-J11
Screw set b (Ref #8)
8
Part #16028-KZ3-J11
Valve set, starter (Ref #9)
9
Part #16046-KZ3-J11
Пружина (Ref #10)
10
Part #16050-KZ3-J11
Packing, cock (Ref #11)
11
Part #16075-GHB-B00
Carburetor assy. (Ref #12)
12
Part #16100-KZ3-J11
Крышка уплотнения (Ref #13)
13
Part #16148-KB1-921
Держатель кабеля (Ref #14)
14
Part #16137-KZ3-J11
Tube,4x7x390 (Ref #15)
15
Part #16198-KZ3-P00
Прокладка (Ref #16)
16
Part #16163-KZ4-J01
Прокладка (Ref #16)
16
Part #16163-KZ4-J01
Прокладка (Ref #16)
16
Part #16163-KZ4-J01
Прокладка (Ref #16)
16
Part #16163-KZ4-J01
Collar, set (Ref #17)
17
Part #16172-KZ3-J11
Крепёж (Ref #18)
18
Part #16179-KZ4-690
Tube, air vent (Ref #20)
20
Part #16199-KZ3-J11
Ndl, jet (r1370dka) (Ref #21)
21
Part #16203-KZ3-J11
Screw,washer 4x12 (Ref #22)
22
Part #93892-040-160-8
Bulk hose, vinyl (Ref #24)
24
Part #95003-050-0860M
Jet, slow (#42) (Ref #25)
25
Part #99103-440-0420
Jet, main (#190) (Ref #26)
26
Part #99113-GHB1900
