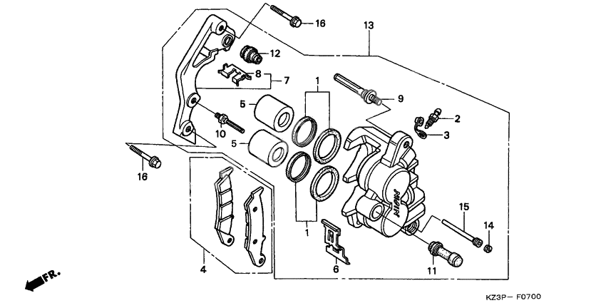
Front brake caliper
Front brake caliper
Seal set, piston (Ref #1)
1
Part #06431-MA3-405
Seal set, piston (Ref #1)
1
Part #06431-MA3-405
Seal set, piston (Ref #1)
1
Part #06431-MA3-405
Seal set, piston (Ref #1)
1
Part #06431-MA3-405
Болт (Ref #2)
2
Part #43352-568-003
CAP (Ref #3)
3
Part #43353-461-771
Pad set, fr. (Ref #4)
4
Part #45105-MY6-415
PISTON (Ref #5)
5
Part #45107-KS6-702
PISTON (Ref #5)
5
Part #45107-KS6-702
PISTON (Ref #5)
5
Part #45107-KS6-702
PISTON (Ref #5)
5
Part #45107-KS6-702
Пружина (Ref #6)
6
Part #45108-MY1-006
Bracket, l. fr. (Ref #7)
7
Part #45110-KCY-671
RETAINER (Ref #8)
8
Part #45112-KS6-701
Bolt a, bolt (Ref #9)
9
Part #45131-HA5-672
Bolt, pin (Ref #10)
10
Part #45131-MAC-681
Bush, pin (Ref #11)
11
Part #45132-166-016
Boot b (Ref #12)
12
Part #45133-MA3-006
Caliper sub-assy. (Ref #13)
13
Part #45150-MAC-681
Plug, pin (Ref #14)
14
Part #45203-MG3-016
Pin, hanger (Ref #15)
15
Part #45215-HA5-672
Болт (Ref #16)
16
Part #90131-MS6-900
Болт (Ref #16)
16
Part #90131-MS6-900
Болт (Ref #16)
16
Part #90131-MS6-900
Болт (Ref #16)
16
Part #90131-MS6-900
-
-
Цена: 1 170.00 р.
Доступно: 2
-
-
-
Цена: 440.00 р.
Доступно: 2
-
-
-
Цена: 520.00 р.
Доступно: 3
-
-
-
Цена: 420.00 р.
Доступно: 0
-
