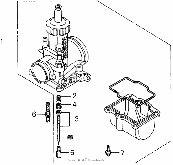
Carburetor o.p. parts kit
Carburetor o.p. parts kit
Пружина (Ref #2)
2
Part #16051-KA3-761
Ndl, jet (r1372ns) (Ref #3)
3
Part #16201-ML3-681
Ndl, jet (r1371ns) (Ref #3)
3
Part #16202-ML3-910
Ndl, jet (r1370ns) (Ref #3)
3
Part #16012-ML3-681
Ndl, jet (r1368ns) (Ref #3)
3
Part #16202-ML3-681
Ndl, jet (r1369ns) (Ref #3)
3
Part #16012-ML3-910
Colr, spring setting (Ref #4)
4
Part #16066-KA3-761
Screw,washer 4x12 (Ref #5)
5
Part #93892-040-160-8
Jet, main (#172) (Ref #5)
5
Part #99101-3571720
Jet, main (#178) (Ref #5)
5
Part #99113-GHB1780
Jet, main (#180) (Ref #5)
5
Part #99113-GHB1800
Jet, main (#172) (Ref #5)
5
Part #99113-GHB1720
Jet, main (#185) (Ref #5)
5
Part #99113-GHB1850
Jet, main (#182) (Ref #5)
5
Part #99113-GHB1820
Jet, main (#170) (Ref #5)
5
Part #99113-GHB1700
Jet, main (#165) (Ref #5)
5
Part #99113-GHB1650
Jet, main (#170) (Ref #5)
5
Part #99101-3571700
Jet, main (#168) (Ref #5)
5
Part #99113-GHB1680
Жиклер (Ref #6)
6
Part #99103-KA30600
Жиклер (Ref #6)
6
Part #99103-KA30580
Жиклер (Ref #6)
6
Part #99103-4400500
Жиклер (Ref #6)
6
Part #99103-4400520
