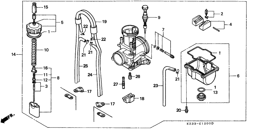
Carburetor assy
Carburetor assy
Valve set, float (Ref #2)
2
Part #16011-KA3-741
Ndl, jet (r1370ns) (Ref #3)
3
Part #16012-ML3-681
FLOAT SET (Ref #4)
4
Part #16013-HA2-671
Top set (Ref #5)
5
Part #16014-KA5-691
Chamber set, float (Ref #6)
6
Part #16015-VM0-004
Screw set a (Ref #7)
7
Part #16016-ML3-910
Valve set, throttle (Ref #8)
8
Part #16022-KZ3-890
Valve set, starter (Ref #9)
9
Part #16046-KS7-004
Пружина компрессора (Ref #10)
10
Part #16050-KA5-691
Пружина (Ref #11)
11
Part #16051-KA3-761
Colr, spring setting (Ref #12)
12
Part #16066-KA3-761
Карбюратор (Ref #14)
14
Part #16100-KZ3-860
Крышка уплотнения (Ref #15)
15
Part #16118-166-004
Держатель кабеля (Ref #16)
16
Part #16137-KA3-761
Plate, buffer (Ref #18)
18
Part #16185-KA3-761
Screw,washer 4x12 (Ref #20)
20
Part #93892-040-160-8
Tube,vinyl 3.5x6. (Ref #23)
23
Part #95003-050-273-1
TUBE (Ref #24)
24
Part #95003-070-333-1
Tube,v.4x7x360 (Ref #25)
25
Part #95003-070-363-1
Jet, main (#175) (Ref #26)
26
Part #99101-3571750
Жиклер (Ref #27)
27
Part #99103-3990550
-
816022-KZ3-860
Valve set, throttle
1Replaced by 16022-KZ3-890 Доступно: Нет в наличии
