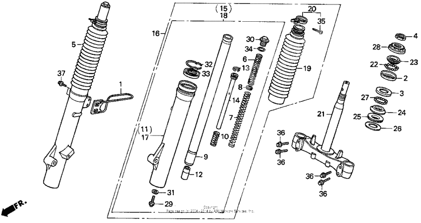
Front fork
Front fork
Holder,brake cabl (Ref #1)
1
Part #45461-GZ4-670
Race,steering top (Ref #2)
2
Part #50301-GN5-901
Race, steering ball (Ref #3)
3
Part #50302-GN5-900
Гайка (Ref #4)
4
Part #50306-GN5-900
Fork assy.*nh138* (Ref #5)
5
Part #51400-GZ4-671ZA
Spring a,fr.fork (Ref #6)
6
Part #51401-GZ4-671
Spring b,fr.fork (Ref #7)
7
Part #51402-GZ4-671
Joint, fr. (Ref #8)
8
Part #51403-GF4-003
Pipe,comp,fr.fork (Ref #9)
9
Part #51410-GZ4-671
Пружина (Ref #10)
10
Part #51412-KA8-711
Case,r.bot*nh138* (Ref #11)
11
Part #51420-GZ4-671ZA
Piece, oil lock (Ref #12)
12
Part #51432-GN1-003
Кольцо поршневое (Ref #13)
13
Part #51437-GM0-003
Pipe, seat (Ref #14)
14
Part #51440-GZ4-671
Fork assy.*nh138* (Ref #16)
16
Part #51500-GZ4-671ZA
Case,l.bot*nh138* (Ref #17)
17
Part #51520-GZ4-671ZA
Boot,fr.f*pb206r* (Ref #19)
19
Part #51611-GZ4-671ZA
Band, fr. fork boot (Ref #20)
20
Part #51612-KF9-900
Stem set, steering (Ref #21)
21
Part #53210-GZ4-680
Stem comp.,steeri (Ref #21)
21
Part #53200-GZ4-670
Ball assy.,steeri (Ref #22)
22
Part #53210-GZ4-671
Race,steering top (Ref #23)
23
Part #53211-GN5-900
Race, steering cone (Ref #24)
24
Part #53212-GN5-900
DUST SEAL (Ref #25)
25
Part #53214-GN5-900
Washer,steering h (Ref #26)
26
Part #53215-GN5-900
Ball, steering steel (Ref #27)
27
Part #53215-GZ4-671
Thread assy.,stee (Ref #28)
28
Part #53220-GZ4-670
Bolt, socket (8mm) (Ref #29)
29
Part #90116-KV3-701
Bolt, fork (Ref #30)
30
Part #90123-KA8-771
Шайба (Ref #31)
31
Part #90544-283-000
RING (Ref #32)
32
Part #90601-383-721
Сальник (Ref #33)
33
Part #91255-GN1-003
O-ring, 17.8x2.4 (showa) (Ref #34)
34
Part #91256-383-721
Screw, pan (3x20) (Ref #35)
35
Part #93500-030200G
