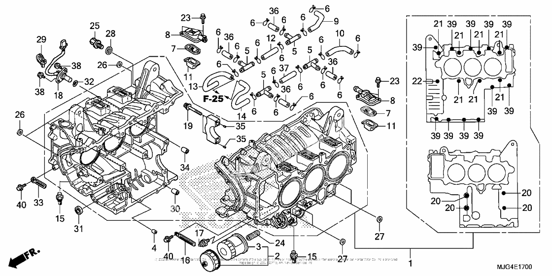
Cylinder block
Cylinder block
Block assy., cylinder (Ref #1)
1
Part #11000-MJR-670
Filter set, oil (Ref #2)
2
Part #15010-MCE-H51
Фильтр масляный (Ref #3)
3
Part #15410-MFJ-D01
Ресивер (Ref #4)
4
Part #15515-MCA-000
JOINT (Ref #5)
5
Part #15772-KK0-000
Clip, breather tube (Ref #6)
6
Part #17316-611-000
Клапан (Ref #7)
7
Part #18601-KGB-611
Cover, reed valve (Ref #8)
8
Part #18612-MBA-601
Tube, r. air in. (Ref #9)
9
Part #18651-MCA-780
Tube, l. air in. (Ref #10)
10
Part #18652-MCA-000
Plate, air in. (Ref #11)
11
Part #18653-MCA-000
Tube (12x62) (Ref #12)
12
Part #18655-MCA-000
Tube, r. air in. (Ref #13)
13
Part #18662-MCA-A60
Tube, l. air in. (Ref #14)
14
Part #18663-MCA-A60
Sensor assy., knock (Ref #15)
15
Part #30530-MCA-003
CLAMP (Ref #16)
16
Part #91403-663-000
Переключатель прессуры масла (Ref #17)
17
Part #35500-MJ4-024
Sensor assy., speed (Ref #18)
18
Part #37700-MCA-A61
Bolt, ubs (12x77.5) (Ref #19)
19
Part #90003-MEC-000
Болт (Ref #20)
20
Part #90006-MM5-640
Bolt, flange, 10x120 (sato) (Ref #21)
21
Part #90009-371-015
Bolt, flange (10x197) (Ref #22)
22
Part #90011-MJR-670
Bolt, flange, 5x14 (Ref #23)
23
Part #90012-896-750
Boss, oil filter (Ref #24)
24
Part #90019-MB0-000
Bolt, drain plug (Ref #25)
25
Part #90131-ZE1-000
Washer, special, 11x21x2.3 (Ref #26)
26
Part #90438-463-000
Шайба (Ref #27)
27
Part #90441-MG8-000
Washer, neutral (Ref #28)
28
Part #90443-MJ6-000
Band, wire (black) (Ref #29)
29
Part #90652-KT1-771
Collar (15x20) (Ref #30)
30
Part #90702-371-000
Oil seal (8x25x8) (Ref #31)
31
Part #91204-MB0-013
O-ring, 18.1x3.6 (Ref #32)
32
Part #91302-MAL-601
Clip (4x60) (Ref #33)
33
Part #91410-KT7-000
Dowel pin (Ref #34)
34
Part #94301-12200
Pin c (Ref #35)
35
Part #94303-04065
Bulk hose (12x1000) (Ref #36)
36
Part #95005-120-0110M
BOLT (Ref #38)
38
Part #95701-060-160-0
Bolt, flange, 6x35 (Ref #39)
39
Part #95701-0603500
BOLT (Ref #40)
40
Part #96001-060-120-0
-
1632170-443-850
Clip, wire harness
1Replaced by 91403-663-000 Доступно: Нет в наличии
-
-
Цена: 950.00 р.
Доступно: 1
-
