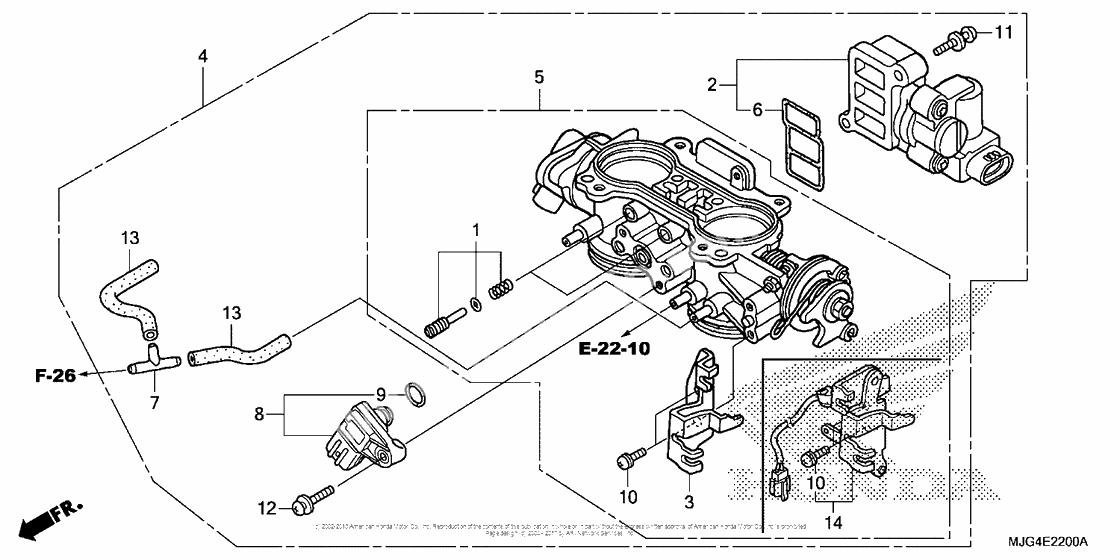
Дроссельная заслонка
Дроссельная заслонка
Screw set (Ref #1)
1
Part #16016-MCA-013
Комплект клапана (Ref #2)
2
Part #16022-MCA-003
BODY ASSY. (GQ6NA A) (Ref #4)
4
Part #16400-MJG-A11
Body set (Ref #5)
5
Part #16410-MJG-A11
Прокладка (Ref #6)
6
Part #16456-P8A-A01
Joint a, vacuum tube (Ref #7)
7
Part #17201-MG9-000
Датчик (Ref #8)
8
Part #37830-PNC-003
Прокладка (Ref #9)
9
Part #37835-PGK-A01
Screw-washer (5x12) (Ref #10)
10
Part #93892-050-120-0
Screw-washer (5x22) (Ref #11)
11
Part #93892-0502200
Screw-washer (5x22) (Ref #12)
12
Part #93893-0502208
Bulk hose (3.5x1000) (Ref #13)
13
Part #95005-350-0120M
STAY (Ref #14)
14
Part #16023-MCA-A61
