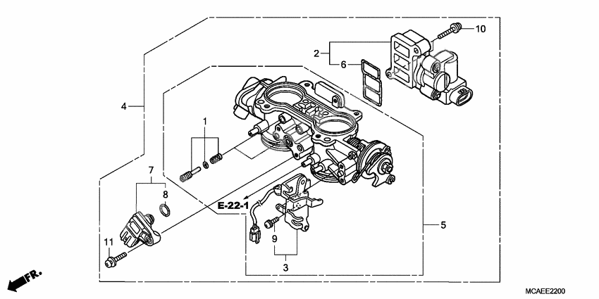
Throttle body
Throttle body
Screw set (Ref #1)
1
Part #16016-MCA-013
Комплект клапана (Ref #2)
2
Part #16022-MCA-003
STAY (Ref #3)
3
Part #16023-MCA-A61
Корпус (Ref #4)
4
Part #16400-MCA-D31
Body set (Ref #5)
5
Part #16410-MCA-D31
Прокладка (Ref #6)
6
Part #16456-P8A-A01
Датчик (Ref #7)
7
Part #37830-PNC-003
Прокладка (Ref #8)
8
Part #37835-PGK-A01
Screw-washer (5x12) (Ref #9)
9
Part #93892-050-120-0
Screw-washer (5x22) (Ref #10)
10
Part #93892-0502200
Screw-washer (5x22) (Ref #11)
11
Part #93893-0502208
-
993892-0501210
Screw-washer (5x12)
2Replaced by 93892-050-120-0 Доступно: Нет в наличии
