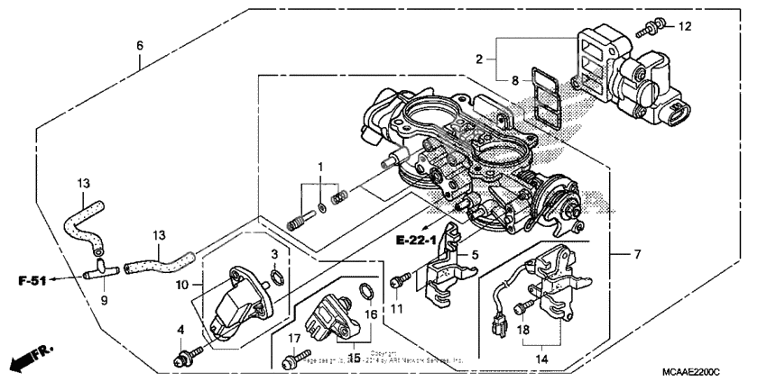
Throttle body
Throttle body
Screw set (Ref #1)
1
Part #16016-MCA-013
Комплект клапана (Ref #2)
2
Part #16022-MCA-003
Корпус (Ref #6)
6
Part #16400-MCA-A61
Body set (Ref #7)
7
Part #16410-MCA-A61
Прокладка (Ref #8)
8
Part #16456-P8A-A01
Joint a, vacuum tube (Ref #9)
9
Part #17201-MG9-000
Screw-washer (5x22) (Ref #12)
12
Part #93892-0502200
Bulk hose (3.5x1000) (Ref #13)
13
Part #95005-350-0120M
Bulk hose (3.5x1000) (Ref #13)
13
Part #95005-350-0120M
Bulk hose (3.5x1000) (Ref #13)
13
Part #95005-350-0120M
Bulk hose (3.5x1000) (Ref #13)
13
Part #95005-350-0120M
STAY (Ref #14)
14
Part #16023-MCA-A61
Датчик (Ref #15)
15
Part #37830-PNC-003
Прокладка (Ref #16)
16
Part #37835-PGK-A01
Screw-washer (5x22) (Ref #17)
17
Part #93893-0502208
Screw-washer (5x12) (Ref #18)
18
Part #93892-050-120-0
