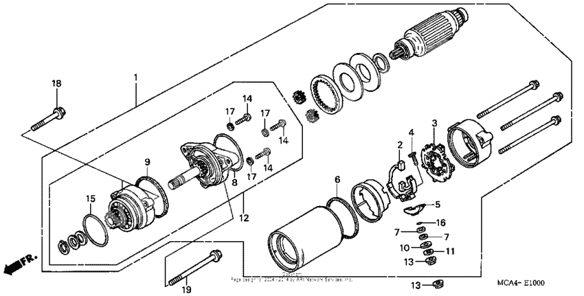
Starting motor
Starting motor
Motor assy., starter (Ref #1)
1
Part #31200-MCA-003
Brush set, terminal (Ref #2)
2
Part #31201-MT8-008
Holder set, brush (Ref #3)
3
Part #31203-MT8-008
Болт конечный (Ref #4)
4
Part #31204-MN5-008
Insulator, terminal (Ref #5)
5
Part #31206-MN5-008
RING (Ref #6)
6
Part #31207-KS5-901
Washer, insulator (Ref #7)
7
Part #31207-MN5-008
Washer, insulator (Ref #7)
7
Part #31207-MN5-008
Washer, insulator (Ref #7)
7
Part #31207-MN5-008
Washer, insulator (Ref #7)
7
Part #31207-MN5-008
Ring, seal (Ref #8)
8
Part #31207-179-711
RING (Ref #9)
9
Part #31208-MG9-004
Washer, insulator (Ref #10)
10
Part #31208-MN5-008
Шайба (Ref #11)
11
Part #31209-MN5-008
Gear assy. (Ref #12)
12
Part #31210-MZ0-008
Nut-washer, 6mm (Ref #13)
13
Part #90071-MB0-000
Nut-washer, 6mm (Ref #13)
13
Part #90071-MB0-000
Nut-washer, 6mm (Ref #13)
13
Part #90071-MB0-000
Nut-washer, 6mm (Ref #13)
13
Part #90071-MB0-000
Прокладка (Ref #15)
15
Part #91309-MN5-008
Прокладка (Ref #16)
16
Part #91320-MB0-000
BOLT (Ref #18)
18
Part #95701-080-380-8
BOLT (Ref #19)
19
Part #95701-080-600-8
