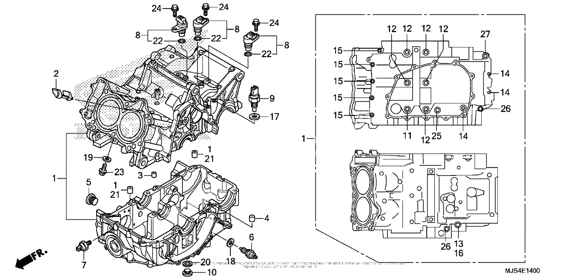
Картер двигателя
Картер двигателя
New Genuine Part (Ref #1)
1
Part #11000-MJS-A20
Plate, partition (Ref #2)
2
Part #11103-MGS-D31
Ресивер (Ref #3)
3
Part #11207-MFL-000
Ресивер (Ref #4)
4
Part #11207-MGS-D30
BOLT (Ref #5)
5
Part #12208-PR3-000
Переключатель нейтральный (Ref #6)
6
Part #35600-MFJ-D01
ДАТЧИК ДАВЛЕНИЯ МАСЛА (Ref #7)
7
Part #37241-RNA-A01
Sensor assy., speed (Ref #8)
8
Part #37700-MGS-D31
Датчик (Ref #9)
9
Part #37750-KPH-701
Bolt, sealing (12x8) (Ref #10)
10
Part #90002-RGA-000
Болт (Ref #11)
11
Part #90015-MGS-D31
Болт (Ref #12)
12
Part #90016-MFA-D01
Болт (Ref #13)
13
Part #90021-MGS-D30
Bolt, special (6x45) (Ref #14)
14
Part #90021-MJL-D30
Bolt, special (6x32) (Ref #15)
15
Part #90022-MJL-D30
Шайба (Ref #16)
16
Part #90442-028-000
Шайба (Ref #17)
17
Part #90443-MB0-000
Washer, neutral (Ref #18)
18
Part #90443-MJ6-000
Шайба (Ref #19)
19
Part #90463-ML7-000
Шайба (Ref #20)
20
Part #90545-KF0-000
Установочный штифт (Ref #21)
21
Part #90701-MV9-670
O-ring, 14.8x2.4 (arai) (Ref #22)
22
Part #91356-MA6-005
BOLT (Ref #23)
23
Part #95701-060-120-0
Bolt, flange, 6x18 (Ref #24)
24
Part #95701-0601800
BOLT (Ref #25)
25
Part #95701-080-450-0
Bolt, flange, 8x70 (Ref #26)
26
Part #95701-0807000
Bolt, flange, 10x70 (Ref #27)
27
Part #95701-1007000
-
2291303-KF0-003
O-ring, 14.8x2.4 (arai)
3Replaced by 91356-MA6-005 Доступно: Нет в наличии
