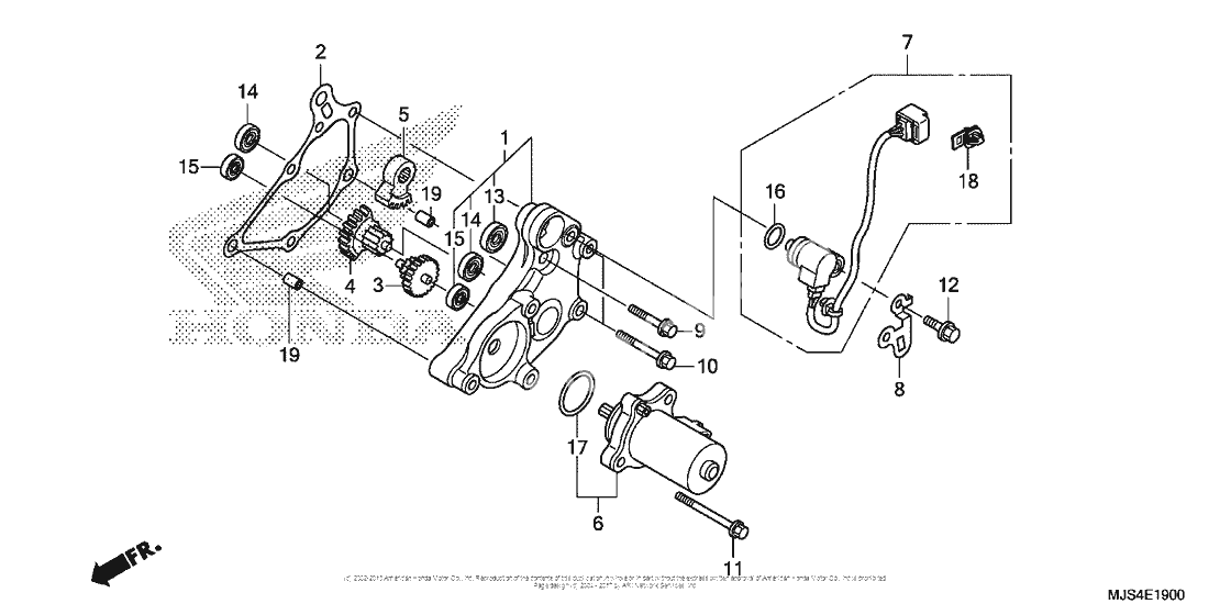
Reduction gear
Reduction gear
Cvr, reduction gear (Ref #1)
1
Part #11520-MGS-D20
Прокладка (Ref #2)
2
Part #11523-MGS-D20
Gear (45t/7t) (Ref #3)
3
Part #24615-MGE-D01
Gear (32t/13t) (Ref #4)
4
Part #24616-MGS-D21
Gear (42t) (Ref #5)
5
Part #24617-MGE-D01
Motor, ratio control (Ref #6)
6
Part #31300-KVZ-631
New Genuine Part (Ref #7)
7
Part #38800-MJS-J21
STAY (Ref #8)
8
Part #38815-MGS-D20
Болт (Ref #9)
9
Part #90001-MGS-D20
Болт (Ref #10)
10
Part #90002-MGS-D20
Болт (Ref #11)
11
Part #90003-MGS-D20
Bolt, knock (6mm) (Ref #12)
12
Part #90011-MGE-D00
Bearing (699zz) (Ref #13)
13
Part #91025-MGS-D21
Bearing (607zz) (Ref #14)
14
Part #91026-MGS-D21
Bearing (696zz) (Ref #15)
15
Part #91027-MGS-D21
Прокладка (Ref #16)
16
Part #91310-MGE-D01
O-ring, motor (Ref #17)
17
Part #91351-HM8-A51
CLIP (Ref #18)
18
Part #91535-TA0-003
Dowel pin (Ref #19)
19
Part #94301-08100
-
-
Цена: 350.00 р.
Доступно: 2
-
