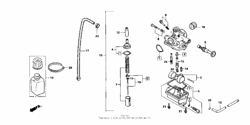
Carburetor
Carburetor
Needle set, jet (Ref #2)
2
Part #16012-NLA-003
Needle set, jet (Ref #2)
2
Part #16012-NLA-003
Needle set, jet (Ref #2)
2
Part #16012-NLA-003
Needle set, jet (Ref #2)
2
Part #16012-NLA-003
FLOAT SET (Ref #3)
3
Part #16013-166-014
Top set (Ref #4)
4
Part #16014-GC5-611
Chamber set, float (Ref #5)
5
Part #16015-166-014
Screw set, a (Ref #6)
6
Part #16016-GB4-003
Valve set, throttle (Ref #7)
7
Part #16022-NLA-003
Screw set b (Ref #8)
8
Part #16028-166-004
Valve set, starter (Ref #9)
9
Part #16046-GM2-014
Карбюратор (Ref #10)
10
Part #16100-NLA-003
Clip, bar (Ref #11)
11
Part #16115-GHB-610
Крышка уплотнения (Ref #12)
12
Part #16148-KB1-921
Tube, fuel (Ref #13)
13
Part #16199-MN5-405
Клапан (Ref #14)
14
Part #16155-NLA-003
Holder, needle jet (Ref #15)
15
Part #16165-GT4-003
Needle set, jet (Ref #16)
16
Part #16203-NLA-003
Needle set, jet (Ref #16)
16
Part #16202-NLA-003
Needle set, jet (Ref #16)
16
Part #16201-NLA-003
Трубка масляного бака (Ref #17)
17
Part #17504-147-010
Cap, carburetor (Ref #18)
18
Part #17519-NKL-000
Tank, catch (Ref #19)
19
Part #19601-NF4-750
Tie-wrap (3.6x281) (Ref #20)
20
Part #90651-NC8-000
Screw,washer 4x12 (Ref #21)
21
Part #93892-040-160-8
Screw,washer 4x12 (Ref #21)
21
Part #93892-040-160-8
Screw,washer 4x12 (Ref #21)
21
Part #93892-040-160-8
Screw,washer 4x12 (Ref #21)
21
Part #93892-040-160-8
Clip, tube (b8) (Ref #22)
22
Part #9500202089
CLAMP (Ref #23)
23
Part #95002-408-000-8
Jet, main (#118) (Ref #24)
24
Part #99101-1661180
Jet, main (#102) (Ref #24)
24
Part #99101-1661020
Jet, main (#100) (Ref #24)
24
Part #99101-GHB1000
Jet, main (#105) (Ref #24)
24
Part #99101-KFG1050
Jet, main (#115) (Ref #24)
24
Part #99101-MAZ1150
Jet, main (#112) (Ref #24)
24
Part #99110-GHB1120
Jet, main (#110) (Ref #24)
24
Part #99101-1661100
Jet, main (#120) (Ref #24)
24
Part #99101-1661200
Jet, main (#108) (Ref #24)
24
Part #99110-GHB1080
Жиклер (Ref #25)
25
Part #99103-1680420
