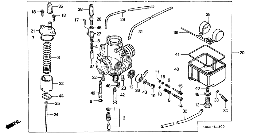
Carburetor assy
Carburetor assy
Шайба (Ref #1)
1
Part #16005-383-000
Valve,float set (Ref #2)
2
Part #16011-KY4-900
Spg,coil compress (Ref #3)
3
Part #16050-KR1-761
Spg,coil compress (Ref #4)
4
Part #16051-KB1-921
Spring,compressio (Ref #5)
5
Part #16054-KY4-901
Spg,coil compress (Ref #6)
6
Part #16057-KB1-921
Прокладка (Ref #7)
7
Part #16075-KR1-761
Прокладка (Ref #8)
8
Part #16076-KB1-921
Прокладка (Ref #9)
9
Part #16077-KB1-921
Прокладка (Ref #10)
10
Part #16078-KY4-900
Прокладка (Ref #11)
11
Part #16079-KB1-921
Screen (Ref #12)
12
Part #16081-KB1-921
Bolt,holding (Ref #13)
13
Part #16082-KB1-921
SCREW,ADJUST (Ref #14)
14
Part #16083-KY4-901
SCREW,ADJUST (Ref #15)
15
Part #16084-KR1-761
Шайба (Ref #16)
16
Part #16086-KB1-921
BOLT (Ref #17)
17
Part #16094-KB1-921
BOLT (Ref #18)
18
Part #16096-KR1-760
BOLT (Ref #18)
18
Part #16096-KR1-760
BOLT (Ref #18)
18
Part #16096-KR1-760
BOLT (Ref #18)
18
Part #16096-KR1-760
BOLT (Ref #19)
19
Part #16099-KR1-761
Карбюратор (Ref #20)
20
Part #16100-KBS-740
COVER (Ref #21)
21
Part #16107-KR1-761
Жиклер игольчатый (Ref #22)
22
Part #16111-KY4-900
Air bleed,slow (Ref #23)
23
Part #16112-KBS-900
Жиклер игольчатый (Ref #24)
24
Part #16113-KBS-740
Clip,jet needle (Ref #25)
25
Part #16114-KB1-921
Adjuster,cable (Ref #26)
26
Part #16116-KR1-761
Держатель кабеля (Ref #27)
27
Part #16117-KB1-921
Sealing cap,cable (Ref #28)
28
Part #16118-KB1-921
Tube,breather 150 (Ref #29)
29
Part #16120-KBS-900
Tube,breat(300mm) (Ref #30)
30
Part #16120-KR1-761
Tube,breather 180 (Ref #31)
31
Part #16121-KBS-900
Jet,power #65 (Ref #32)
32
Part #16123-KBS-900
Прокладка (Ref #33)
33
Part #16131-KY4-900
Винт дренажный (Ref #34)
34
Part #16132-KY4-900
Крышка уплотнения (Ref #35)
35
Part #16148-KB1-921
Адаптер (Ref #36)
36
Part #16149-KR1-761
Valve,by-starter (Ref #37)
37
Part #16150-KB1-921
Поплавок (Ref #38)
38
Part #16151-KR1-762
Pin,float arm (Ref #39)
39
Part #16153-KB1-921
Камера попловковая (Ref #40)
40
Part #16158-KY4-900
Gaskt,flaot chamb (Ref #41)
41
Part #16163-KR1-761
Air bleed (Ref #42)
42
Part #16164-KY4-881
Прокладка (Ref #43)
43
Part #16175-KB1-921
Plate,valve (Ref #44)
44
Part #16184-KR1-761
PACKING (Ref #45)
45
Part #16194-KB1-921
NUT,HEX (Ref #46)
46
Part #16198-KB1-921
Jet,main #135 (Ref #47)
47
Part #91905-KBS-900
Jet,slow #42 (Ref #48)
48
Part #91906-KBS-900
Jet,bystarter (Ref #49)
49
Part #91907-KB1-921
