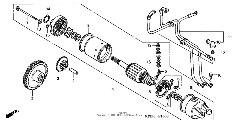
Starting motor
Starting motor
SHAFT (Ref #1)
1
Part #28102-KFG-000
Шестерня (Ref #2)
2
Part #28110-KFG-000
Шестерня (Ref #3)
3
Part #28130-KFG-000
Motor assy., starter (Ref #4)
4
Part #31200-KTB-003
Terminal set, brush (Ref #5)
5
Part #31201-KS5-901
Spring, carbon brush (Ref #6)
6
Part #31204-KS5-901
Spring, carbon brush (Ref #6)
6
Part #31204-KS5-901
Spring, carbon brush (Ref #6)
6
Part #31204-KS5-901
Spring, carbon brush (Ref #6)
6
Part #31204-KS5-901
Bolt, setting (Ref #7)
7
Part #31205-KL8-711
Holder set, brush (Ref #8)
8
Part #31206-KW1-901
RING (Ref #9)
9
Part #31207-KS5-901
RING (Ref #9)
9
Part #31207-KS5-901
RING (Ref #9)
9
Part #31207-KS5-901
RING (Ref #9)
9
Part #31207-KS5-901
Cover, starter motor terminal (Ref #10)
10
Part #32411-230-000
Cable (Ref #11)
11
Part #32610-KPB-J40
Nut-washer, 6mm (Ref #12)
12
Part #90071-MB0-000
Nut-washer, 6mm (Ref #12)
12
Part #90071-MB0-000
Nut-washer, 6mm (Ref #12)
12
Part #90071-MB0-000
Nut-washer, 6mm (Ref #12)
12
Part #90071-MB0-000
Washer, steel plate (Ref #13)
13
Part #90122-MN4-008
Прокладка (Ref #14)
14
Part #91312-MG7-003
Прокладка (Ref #15)
15
Part #91320-MB0-000
Прокладка (Ref #15)
15
Part #91320-MB0-000
Прокладка (Ref #15)
15
Part #91320-MB0-000
Прокладка (Ref #15)
15
Part #91320-MB0-000
Bolt, flange, 6x22 (Ref #16)
16
Part #95701-0602200
