Cylinder + reed valve
Cylinder + reed valve
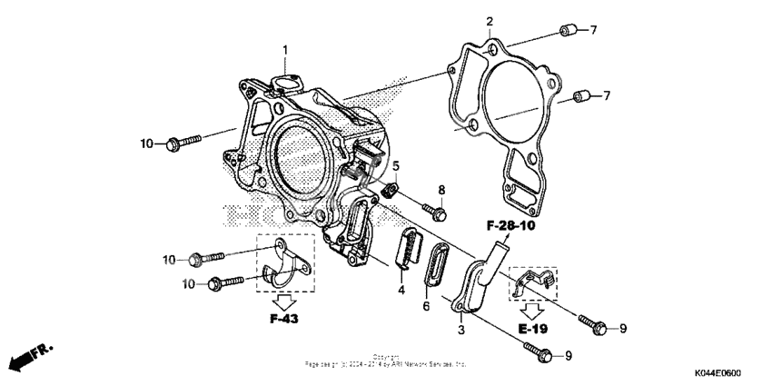
Цилиндр (Ref #1)
1
Part #12100-K04-930
Прокладка (Ref #2)
2
Part #12191-KTW-901
Cover, reed valve (Ref #3)
3
Part #12315-K04-930
Plate, port (Ref #4)
4
Part #12341-MAT-750
Clip b, tube (Ref #5)
5
Part #16106-KW7-900
Клапан (Ref #6)
6
Part #18601-K04-931
Dowel pin (Ref #7)
7
Part #94301-12200
Dowel pin (Ref #7)
7
Part #94301-12200
Dowel pin (Ref #7)
7
Part #94301-12200
Dowel pin (Ref #7)
7
Part #94301-12200
BOLT (Ref #8)
8
Part #95701-060-120-0
BOLT (Ref #9)
9
Part #95701-060-200-0
BOLT (Ref #9)
9
Part #95701-060-200-0
BOLT (Ref #9)
9
Part #95701-060-200-0
BOLT (Ref #9)
9
Part #95701-060-200-0
