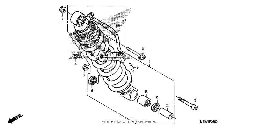
Rear shock absorber
Rear shock absorber
Cushion assy,, rr, (Ref #1)
1
Part #52400-MEW-305
COLLAR (Ref #2)
2
Part #52463-MAL-G00
Label, rr. (Ref #3)
3
Part #87516-MBL-610
Болт (Ref #4)
4
Part #90106-KK7-700
Bolt,soc 10x57 (Ref #5)
5
Part #90107-MBL-610
Болт (Ref #6)
6
Part #90154-HA8-000
Nut, u, 10mm (Ref #7)
7
Part #90304-GE8-003
Nut, u, 10mm (Ref #7)
7
Part #90304-GE8-003
Nut, u, 10mm (Ref #7)
7
Part #90304-GE8-003
Nut, u, 10mm (Ref #7)
7
Part #90304-GE8-003
Bearing, needle (Ref #8)
8
Part #91071-KV3-005
САЛЬНИК ВТУЛКИ АМОРТИЗАТОРА (Ref #9)
9
Part #91262-KV3-831
САЛЬНИК ВТУЛКИ АМОРТИЗАТОРА (Ref #9)
9
Part #91262-KV3-831
САЛЬНИК ВТУЛКИ АМОРТИЗАТОРА (Ref #9)
9
Part #91262-KV3-831
САЛЬНИК ВТУЛКИ АМОРТИЗАТОРА (Ref #9)
9
Part #91262-KV3-831
-
-
Цена: 970.00 р.
Доступно: 1
-
-
-
Цена: 1 130.00 р.
Доступно: 1
-
-
-
Цена: 560.00 р.
Доступно: 2
-
