Стартер электрический
Стартер электрический
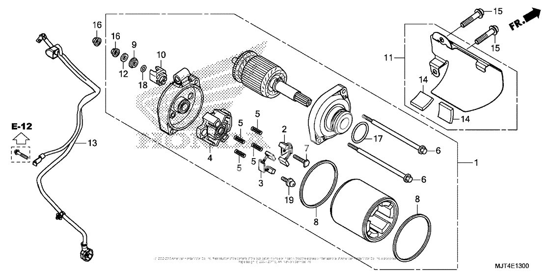
Starter motor assy. (Ref #1)
1
Part #31200-MJT-E01
Brush set a, carbon (Ref #2)
2
Part #31201-MEW-921
Brush set b, carbon (Ref #3)
3
Part #31202-MEW-921
Держатель щётка (Ref #4)
4
Part #31203-MEW-921
Spring, carbon brush (Ref #5)
5
Part #31204-MEW-921
Bolt, setting (Ref #6)
6
Part #31205-MFJ-D01
Болт конечный (Ref #7)
7
Part #31206-MEW-921
RING (Ref #8)
8
Part #31207-HP5-601
Изолятор (Ref #9)
9
Part #31208-MEW-921
Stopper, terminal (Ref #10)
10
Part #31209-MEW-921
GUARD, STARTER MOTOR (Ref #11)
11
Part #31209-MJT-E00
Шайба (Ref #12)
12
Part #31210-MEW-921
Cable (Ref #13)
13
Part #32405-MJT-E00
Rubber, battery (Ref #14)
14
Part #50328-HP1-600
Bolt (6x28) (Ref #15)
15
Part #90067-MJT-E00
Nut-washer, 6mm (Ref #16)
16
Part #90071-MB0-000
Прокладка (Ref #17)
17
Part #91312-MG7-003
Прокладка (Ref #18)
18
Part #91320-MB0-000
Screw-washer (Ref #19)
19
Part #93892-050-120-8
