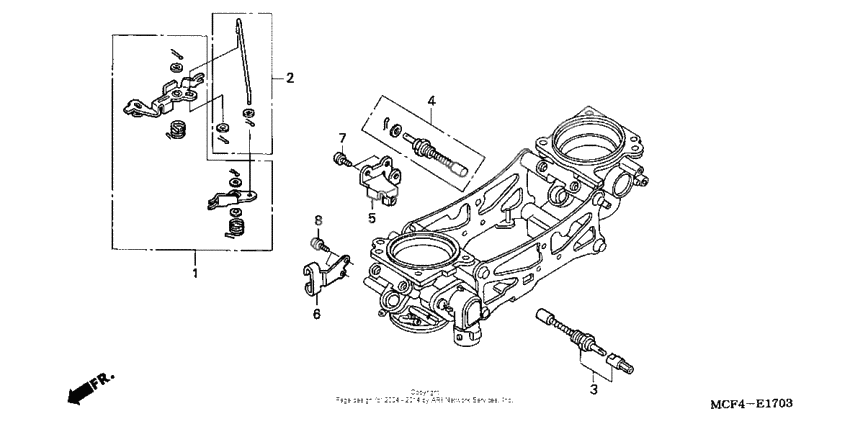
Throttle body (component parts) ('02-'05)
Throttle body (component parts) ('02-'05)
Lever set, starter (Ref #1)
1
Part #16018-MCF-003
Rod set, starter (Ref #2)
2
Part #16019-MCF-003
Valve set, starter (Ref #3)
3
Part #16046-MCF-003
Распылитель (Ref #4)
4
Part #16047-MCF-003
Stay, choke wire (Ref #5)
5
Part #16121-MCF-003
Stay, wire (Ref #6)
6
Part #16169-MCF-D31
Screw-washer (4x8) (Ref #7)
7
Part #93892-0400800
Screw-washer (5x14) (Ref #8)
8
Part #93892-0501400
