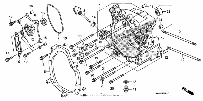
Right crankcase
Right crankcase
Crank case comp,r (Ref #1)
1
Part #11100-KWN-900
Plug,brg push (Ref #2)
2
Part #11114-KWN-900
Spg,brg push (Ref #3)
3
Part #11116-KWN-900
Plate,brg push (Ref #4)
4
Part #11117-KWN-901
Holder,radiator (Ref #5)
5
Part #11331-KWN-900
Base,stator (Ref #6)
6
Part #11361-KWN-900
Gasket,stator bas (Ref #7)
7
Part #11363-KWN-900
GAUGE,OIL LEVEL (Ref #8)
8
Part #15651-KWN-900
Clamp,acg cord (Ref #9)
9
Part #32961-KWN-900
Bolt,a stud 8x200 (Ref #10)
10
Part #90031-KWN-900
Bolt,a stud 8x200 (Ref #10)
10
Part #90031-KWN-900
Bolt,a stud 8x200 (Ref #10)
10
Part #90031-KWN-900
Bolt,a stud 8x200 (Ref #10)
10
Part #90031-KWN-900
ПРОБКА СЛИВНАЯ (Ref #11)
11
Part #90131-896-650
Dowel pin,spl 6.3 (Ref #12)
12
Part #90702-KWN-900
Dowel pin,spl 6.3 (Ref #12)
12
Part #90702-KWN-900
Dowel pin,spl 6.3 (Ref #12)
12
Part #90702-KWN-900
Dowel pin,spl 6.3 (Ref #12)
12
Part #90702-KWN-900
Oil seal,20.8x32x (Ref #13)
13
Part #91201-KWN-901
Прокладка (Ref #14)
14
Part #91307-035-000
Шайба (Ref #15)
15
Part #94109-12000
Bolt, flange, 6x28 (Ref #18)
18
Part #95701-0602800
BOLT (Ref #22)
22
Part #96001-060-160-0
Rub.bush,eng.hang (Ref #23)
23
Part #11103-KVB-901
Bush,m stand (Ref #24)
24
Part #11205-GBC-300
-
1190131-883-000
Bolt, drain plug, 12x15
1Replaced by 90131-896-650 Доступно: Нет в наличии
