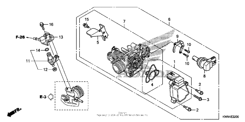
Throttle body
Throttle body
Sensor set (Ref #1)
1
Part #16060-GFZ-003
Screw, torx (5x8.7) (Ref #2)
2
Part #16081-KPH-701
Screw, torx (5x8.7) (Ref #2)
2
Part #16081-KPH-701
Screw, torx (5x8.7) (Ref #2)
2
Part #16081-KPH-701
Screw, torx (5x8.7) (Ref #2)
2
Part #16081-KPH-701
Screw, torx (5x17) (Ref #3)
3
Part #16082-KPH-701
Прокладка (Ref #4)
4
Part #16083-KTR-941
Plate, stay (Ref #5)
5
Part #16169-GFM-901
Throttlebody assy (Ref #6)
6
Part #16400-KWN-902
Body set (Ref #7)
7
Part #16410-KWN-901
Valve assy (Ref #8)
8
Part #16430-GFM-902
PLATE (Ref #9)
9
Part #16432-GFM-901
Screw, torx (Ref #10)
10
Part #16433-HN8-A61
Screw, torx (Ref #10)
10
Part #16433-HN8-A61
Screw, torx (Ref #10)
10
Part #16433-HN8-A61
Screw, torx (Ref #10)
10
Part #16433-HN8-A61
Injectoer assyfue (Ref #11)
11
Part #16450-KWN-901
Ring, seal (Ref #12)
12
Part #16472-KPH-701
Joint,injector (Ref #13)
13
Part #17560-KWN-900
O-ring, 7.3x2.2 (Ref #14)
14
Part #91301-KPH-701
Screw-washer (Ref #15)
15
Part #93892-050-120-8
Bolt, flange, 6x22 (Ref #16)
16
Part #95701-0602200
