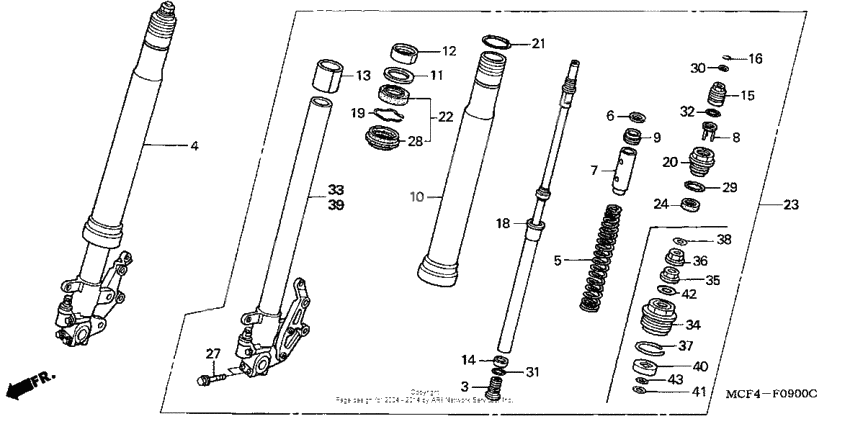
Front fork
Front fork
Bolt, socket (Ref #3)
3
Part #51126-MCF-003
Fork assy., r. fr. (Ref #4)
4
Part #51400-MCF-003
Spring, fr. fork (Ref #5)
5
Part #51401-MCF-003
Пружина (Ref #6)
6
Part #51403-MA0-771
Collar, spring (Ref #7)
7
Part #51403-MCF-003
PLATE (Ref #8)
8
Part #51404-MT7-003
Stopper, spring seat (Ref #9)
9
Part #51406-MW4-003
Tube (outer) (Ref #10)
10
Part #51410-MCF-003
Ring, back-up (Ref #11)
11
Part #51412-KA4-711
Bush, guide (Ref #12)
12
Part #51414-MCF-003
Bush, slider (Ref #13)
13
Part #51415-MCF-003
Plate, centering (Ref #14)
14
Part #51421-MCF-003
Adjuster, spring (Ref #15)
15
Part #51422-MT7-003
Ring b, stopper (Ref #16)
16
Part #51423-MT7-003
Damper, fr. (Ref #18)
18
Part #51430-MCF-003
RING (Ref #19)
19
Part #51447-KA4-711
Bolt, fr. fork (Ref #20)
20
Part #51454-MCF-003
Кольцо (Ref #21)
21
Part #51455-MW4-003
Seal set, fr. fork (Ref #22)
22
Part #51490-MCF-000
Fork assy., l. fr. (Ref #23)
23
Part #51500-MCF-003
Rubber, stopper (Ref #24)
24
Part #51517-MCF-003
Болт (Ref #27)
27
Part #90109-MR7-000
DUST SEAL (Ref #28)
28
Part #91256-MCF-003
Прокладка (Ref #29)
29
Part #91258-GF4-003
Прокладка (Ref #30)
30
Part #91311-PH7-003
Прокладка (Ref #31)
31
Part #91351-MCF-003
Прокладка (Ref #32)
32
Part #91351-MT7-003
Pipe, r. slide (Ref #33)
33
Part #51425-MCF-003
Pipe, l. slide (Ref #39)
39
Part #51525-MCF-003
