Carburetor assy
Carburetor assy
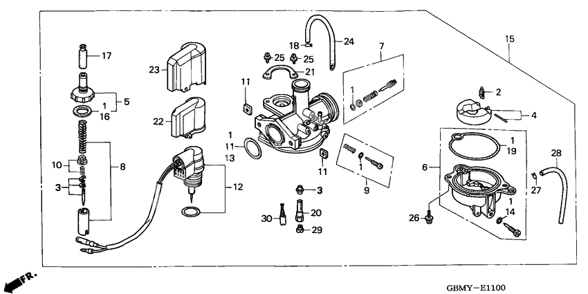
VALVE SET,FLOAT (Ref #2)
2
Part #16011-GR1-930
NEEDLE SET,JET (Ref #3)
3
Part #16012-GBM-700
NEEDLE SET,JET (Ref #3)
3
Part #16012-GBM-700
NEEDLE SET,JET (Ref #3)
3
Part #16012-GBM-700
NEEDLE SET,JET (Ref #3)
3
Part #16012-GBM-700
FLOAT SET (Ref #4)
4
Part #16013-KBN-900
Top set (Ref #5)
5
Part #16014-KK7-740
Chamber set,float (Ref #6)
6
Part #16015-GBC-000
Screw set (Ref #7)
7
Part #16016-GAH-A00
Valve set,throttl (Ref #8)
8
Part #16022-GW0-003
Screw set (Ref #9)
9
Part #16028-GW2-003
By-starter assy,a (Ref #12)
12
Part #16046-GBM-700
O-ring,2.4x23 (Ref #13)
13
Part #16075-GHB-B20
Прокладка (Ref #14)
14
Part #16075-GHB-640
Карбюратор (Ref #15)
15
Part #16100-GBM-701
Top.gasket (Ref #16)
16
Part #16110-KG8-901
Крышка уплотнения (Ref #17)
17
Part #16148-KB1-921
Clip, tube (Ref #18)
18
Part #16163-GHB-600
Chamber,gasket (Ref #19)
19
Part #16163-KG8-901
Держатель жиклера (Ref #20)
20
Part #16165-GC7-711
Plate, set (Ref #21)
21
Part #16186-GJ2-004
CAP,HOLDER (Ref #22)
22
Part #16190-GR1-003
CAP,HOLDER (Ref #23)
23
Part #16191-GM9-701
Tube,a.v (Ref #24)
24
Part #16199-KBN-900
Screw-washer (Ref #25)
25
Part #93892-040-080-8
Screw-washer (Ref #25)
25
Part #93892-040-080-8
Screw-washer (Ref #25)
25
Part #93892-040-080-8
Screw-washer (Ref #25)
25
Part #93892-040-080-8
Screw-washer (Ref #26)
26
Part #93892-040-140-8
Clip, tube (b7) (Ref #27)
27
Part #9500202079
Tube,vinyl (Ref #28)
28
Part #95003-070-273-1
Jet, main (#80) (Ref #29)
29
Part #99101-HF70800
Jet slow #35 (Ref #30)
30
Part #99103-GC7-0350
-
2216190-GJ2-004
Комплект/набор plate luggage compartment
1Replaced by 16190-GR1-003 Доступно: Нет в наличии
