Starting motor
Starting motor
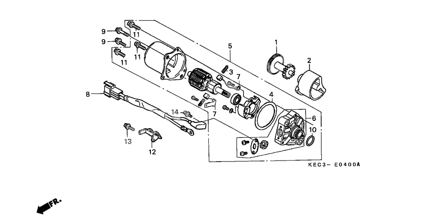
Gear comp,starter (Ref #1)
1
Part #28130-KEE-630
Holder comp,start (Ref #2)
2
Part #28150-KEE-630
Spring, carbon brush (Ref #3)
3
Part #31204-KG8-004
PACKING (Ref #4)
4
Part #31206-GW3-004
Motor unit,start. (Ref #5)
5
Part #31210-KEE-631
Front brkt.comp. (Ref #6)
6
Part #31213-KEE-630
Набор щёток (Ref #7)
7
Part #32101-KY4-901
Набор щёток (Ref #7)
7
Part #32101-KY4-901
Набор щёток (Ref #7)
7
Part #32101-KY4-901
Набор щёток (Ref #7)
7
Part #32101-KY4-901
Sub harness (Ref #8)
8
Part #32105-KEC-003
Bolt (6x30) (Ref #9)
9
Part #90104-GAV-701
Bolt (6x30) (Ref #9)
9
Part #90104-GAV-701
Bolt (6x30) (Ref #9)
9
Part #90104-GAV-701
Bolt (6x30) (Ref #9)
9
Part #90104-GAV-701
O RING (Ref #10)
10
Part #91309-KEE-630
Clamp,cord (Ref #12)
12
Part #32964-GBY-900
Bolt (6x18) (Ref #13)
13
Part #90002-GAV-701
Screw-washer (Ref #14)
14
Part #93892-040-060-8
