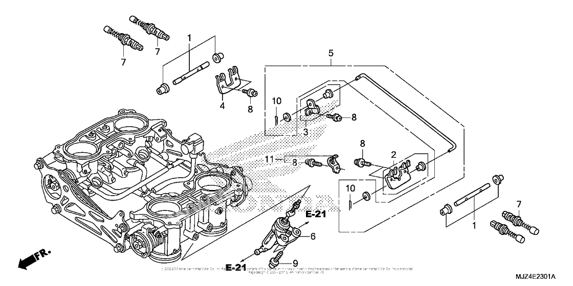
Throttle body (component parts)
Throttle body (component parts)
Shaft set, starter (Ref #1)
1
Part #16017-MCW-003
Lever a, starter (Ref #2)
2
Part #16018-MCW-003
Lever b, starter (Ref #3)
3
Part #16019-MCW-003
Lever c, starter (Ref #4)
4
Part #16020-MCW-003
Rod set, starter (Ref #5)
5
Part #16025-MCS-003
Wax assy. (Ref #6)
6
Part #16044-MCW-003
Valve set a, starter (Ref #7)
7
Part #16046-MCW-003
Screw-washer (3x8) (Ref #8)
8
Part #93892-0300810
Screw-washer (6x20) (Ref #9)
9
Part #93892-0602000
Pin, split (1.2) (Ref #10)
10
Part #9420112081
Lever set b, starter (Ref #11)
11
Part #16019-MCJ-003
