Switch + cable
Switch + cable
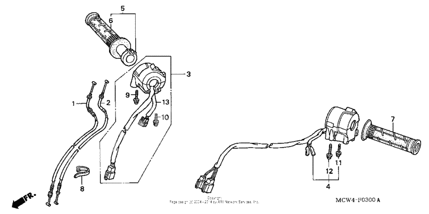
Cable a, throttle (Ref #1)
1
Part #17910-MCW-D00
Cable b, throttle (Ref #2)
2
Part #17920-MCW-D00
Switch, turn signal (Ref #4)
4
Part #35020-MCW-A00
Grip, r. handle (Ref #5)
5
Part #53165-MY9-890
Band, wire, 165mm (black) (Ref #7)
7
Part #90651-KV6-003
Screw-washer (5x20) (Ref #9)
9
Part #93892-0502007
Screw-washer (5x25) (Ref #10)
10
Part #93892-0502507
Screw-washer (5x35) (Ref #11)
11
Part #93892-0503507
Screw-washer (5x45) (Ref #12)
12
Part #93892-0504507
Switch, starter stop (Ref #13)
13
Part #35130-MCW-A11
Sw set,st kill (Ref #13)
13
Part #35013-MCW-J04
-
553140-MCF-000
Grip assy., throttle
1Replaced by 53165-MY9-890 Доступно: Нет в наличии
-
553140-MCF-305
Grip assy., throttle
1Replaced by 53140-MCF-000 Доступно: Нет в наличии
