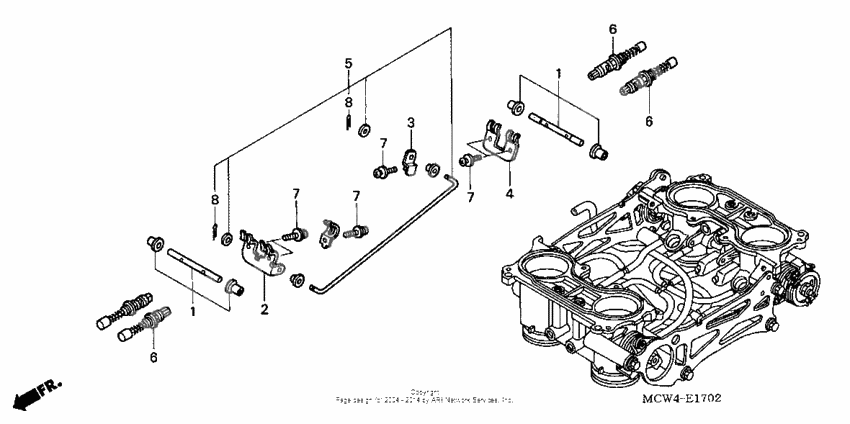
Throttle body (component parts)
Throttle body (component parts)
Shaft set, starter (Ref #1)
1
Part #16017-MCW-003
Shaft set, starter (Ref #1)
1
Part #16017-MCW-003
Shaft set, starter (Ref #1)
1
Part #16017-MCW-003
Shaft set, starter (Ref #1)
1
Part #16017-MCW-003
Lever a, starter (Ref #2)
2
Part #16018-MCW-003
Lever b, starter (Ref #3)
3
Part #16019-MCW-003
Lever c, starter (Ref #4)
4
Part #16020-MCW-003
Rod set, starter (Ref #5)
5
Part #16025-MCW-003
Pin, split (1.2) (Ref #8)
8
Part #9420112081
Pin, split (1.2) (Ref #8)
8
Part #9420112081
Pin, split (1.2) (Ref #8)
8
Part #9420112081
Pin, split (1.2) (Ref #8)
8
Part #9420112081
