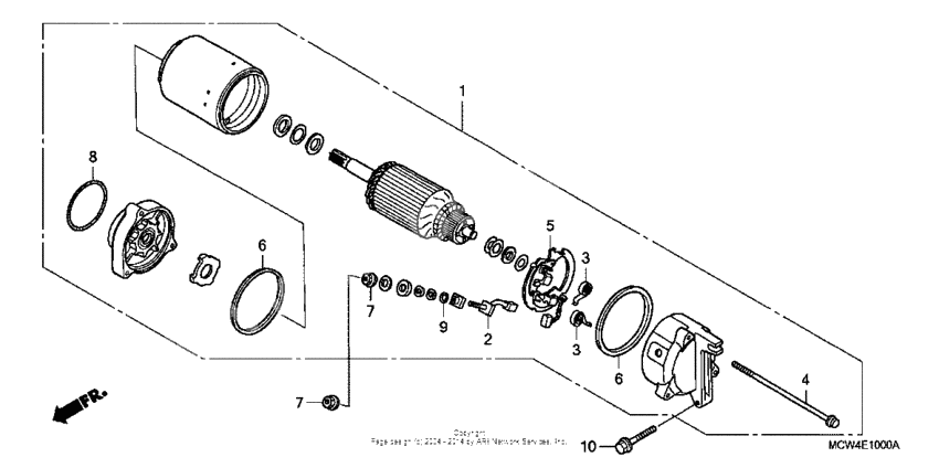
Starting motor
Starting motor
Motor assy., starter (Ref #1)
1
Part #31200-MW4-003
Terminal set, brush (Ref #2)
2
Part #31201-KS5-901
Spring, carbon brush (Ref #3)
3
Part #31204-KS5-901
Spring, carbon brush (Ref #3)
3
Part #31204-KS5-901
Spring, carbon brush (Ref #3)
3
Part #31204-KS5-901
Spring, carbon brush (Ref #3)
3
Part #31204-KS5-901
Bolt, setting (Ref #4)
4
Part #31205-MN0-008
Holder set, brush (Ref #5)
5
Part #31206-MN4-008
RING (Ref #6)
6
Part #31207-KS5-901
RING (Ref #6)
6
Part #31207-KS5-901
RING (Ref #6)
6
Part #31207-KS5-901
RING (Ref #6)
6
Part #31207-KS5-901
Nut-washer, 6mm (Ref #7)
7
Part #90071-MB0-000
Nut-washer, 6mm (Ref #7)
7
Part #90071-MB0-000
Nut-washer, 6mm (Ref #7)
7
Part #90071-MB0-000
Nut-washer, 6mm (Ref #7)
7
Part #90071-MB0-000
Прокладка (Ref #8)
8
Part #91309-MA6-000
Прокладка (Ref #9)
9
Part #91320-MB0-000
BOLT (Ref #10)
10
Part #95701-060-250-0
