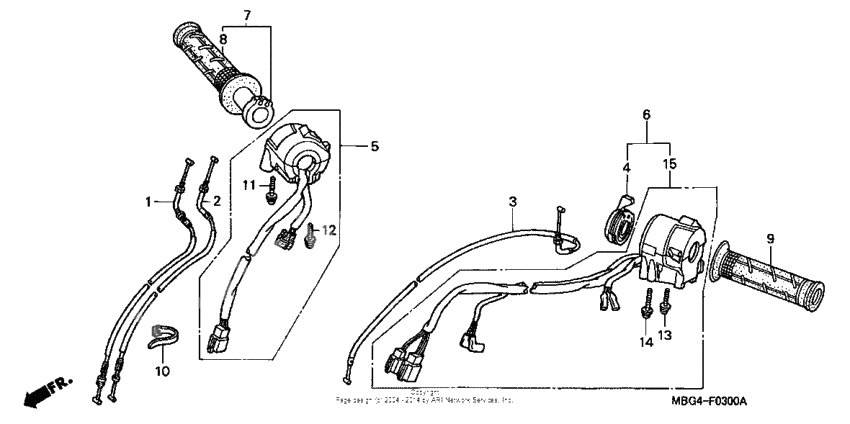
Handle switch
Handle switch
Cable a, throttle (Ref #1)
1
Part #17910-MBG-000
Cable b, throttle (Ref #2)
2
Part #17920-MBG-D00
Switch, starter stop (Ref #5)
5
Part #35013-MBG-653
Switch, starter stop (Ref #5)
5
Part #35013-MBG-651
Switch, starter stop (Ref #5)
5
Part #35013-MBG-650
Grip, r. handle (Ref #7)
7
Part #53165-MY9-890
Band, wire, 165mm (black) (Ref #9)
9
Part #90651-KV6-003
Screw-washer (5x20) (Ref #11)
11
Part #93892-0502007
Screw-washer (5x25) (Ref #12)
12
Part #93892-0502507
Screw-washer (5x35) (Ref #13)
13
Part #93892-0503507
Screw-washer (5x45) (Ref #14)
14
Part #93892-0504507
Switch, turn signal (Ref #15)
15
Part #35020-MBG-A00
-
753140-MCF-000
Grip assy., throttle
1Replaced by 53165-MY9-890 Доступно: Нет в наличии
-
753140-MCF-305
Grip assy., throttle
1Replaced by 53140-MCF-000 Доступно: Нет в наличии
