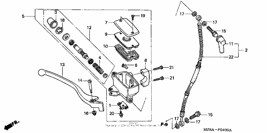
Front brake master cylinder
Front brake master cylinder
Switch, fr. stop (Ref #1)
1
Part #35340-MM5-600
Ботинок (Ref #3)
3
Part #45504-410-003
Пружина (Ref #4)
4
Part #45506-KA3-731
M/cyl sub-assy, fr. (Ref #5)
5
Part #45510-MCL-006
PROTECTOR (Ref #6)
6
Part #45512-MA6-006
Cap, master cylinder (Ref #7)
7
Part #45513-MR1-016
HOLDER (Ref #8)
8
Part #45517-MR1-671
Пластина (Ref #9)
9
Part #45518-MM5-006
DIAPHRAGM (Ref #10)
10
Part #45520-MM5-006
Master cylinder set (Ref #12)
12
Part #45530-MN9-305
Lever, r. handlebar (Ref #13)
13
Part #53175-MR1-305
Bolt, r (Ref #14)
14
Part #90114-MA5-671
Bolt, oil (10x22) (Ref #15)
15
Part #90145-MS9-612
Bolt, oil (10x22) (Ref #15)
15
Part #90145-MS9-612
Bolt, oil (10x22) (Ref #15)
15
Part #90145-MS9-612
Bolt, oil (10x22) (Ref #15)
15
Part #90145-MS9-612
Nut, cap, 6mm (Ref #16)
16
Part #90201-415-000
Circlip (Ref #18)
18
Part #90651-MA5-671
Screw, flat (4x12) (Ref #19)
19
Part #90158-MT7-000
Screw-washer (Ref #20)
20
Part #93893-040-120-7
Bolt, socket (6x22) (Ref #21)
21
Part #90101-MCL-000
Bolt, socket (6x22) (Ref #21)
21
Part #90101-MCL-000
Bolt, socket (6x22) (Ref #21)
21
Part #90101-MCL-000
Bolt, socket (6x22) (Ref #21)
21
Part #90101-MCL-000
Hose, fr, brake (Ref #22)
22
Part #45126-MZ8-507
-
1353175-MR1-671
Lever, r. handlebar
1Replaced by 53175-MR1-305 Доступно: Нет в наличии
