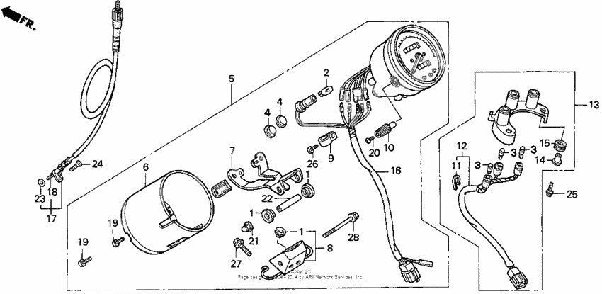
Speedometer
Speedometer
Bulb, wedge base (t10) (12v 3.4w) (nippon seiki) (Ref #2)
2
Part #37237-SA5-003
Cap a (Ref #4)
4
Part #37116-KG4-008
Cap a (Ref #4)
4
Part #37116-KG4-008
Cap a (Ref #4)
4
Part #37116-KG4-008
Cap a (Ref #4)
4
Part #37116-KG4-008
Панель измерителей (Ref #5)
5
Part #37200-MR1-671
Cover, speedometer (Ref #6)
6
Part #37202-MR1-008
Stay a (Ref #7)
7
Part #37211-MR1-008
Stay, meter (Ref #8)
8
Part #37212-MR1-000
CLAMP (Ref #9)
9
Part #37215-KS3-901
Knob, trip (Ref #10)
10
Part #37220-MR1-008
Band, self lock (Ref #11)
11
Part #37226-MZ5-008
SOCKET (Ref #12)
12
Part #37562-MZ8-A01
Box assy., pilot (Ref #13)
13
Part #37600-MZ8-A01
COLLAR (Ref #14)
14
Part #37606-MR1-008
RUBBER (Ref #15)
15
Part #37607-MR1-008
SOCKET (Ref #16)
16
Part #37619-MR1-671
Кабель (Ref #17)
17
Part #44830-MZ8-A20
Cable (inner) (Ref #18)
18
Part #44831-MZ8-A20
Screw, truss (4x8) (Ref #19)
19
Part #90106-MR1-008
Screw, truss (4x8) (Ref #19)
19
Part #90106-MR1-008
Screw, truss (4x8) (Ref #19)
19
Part #90106-MR1-008
Screw, truss (4x8) (Ref #19)
19
Part #90106-MR1-008
Screw, pan (2x6) (Ref #20)
20
Part #90158-KM7-911
Nut, cap, 6mm (Ref #21)
21
Part #90202-ZV0-000
Nut, cap, 6mm (Ref #21)
21
Part #90202-ZV0-000
Nut, cap, 6mm (Ref #21)
21
Part #90202-ZV0-000
Nut, cap, 6mm (Ref #21)
21
Part #90202-ZV0-000
Collar (8x50) (Ref #22)
22
Part #91104-MR1-008
O-ring, 6.8x1.8 (Ref #23)
23
Part #91306-PJ4-000
Screw, oval (5x20) (Ref #24)
24
Part #93700-050200G
Screw-washer (Ref #25)
25
Part #93891-040-160-7
Болт (Ref #26)
26
Part #93903-24420
Болт (Ref #28)
28
Part #96001-0606002
-
237237-SA5-003
Bulb, wedge base (t10) (12v 3.4w) (nippon seiki)
1Доступно: Нет в наличии
