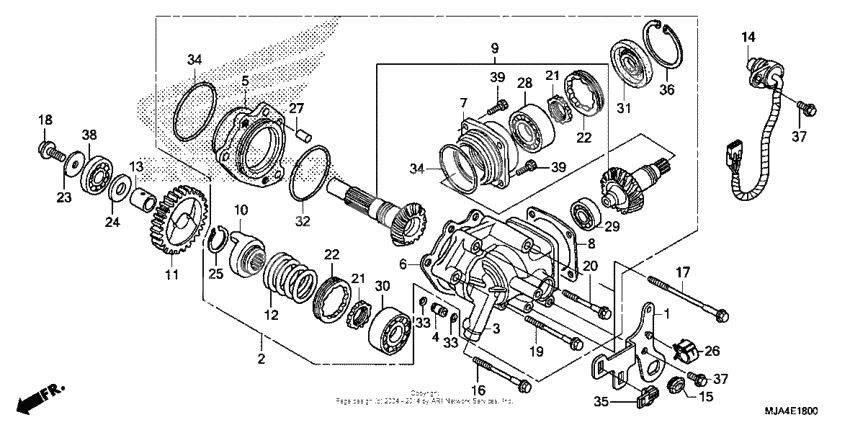
Side gear case

Side gear case

Side gear case
Stay, l, rr, cover (Ref #1)
1
Part #11380-MEG-A60
Case, side gear (Ref #2)
2
Part #21100-MEG-000
Case, side gear (Ref #3)
3
Part #21200-MEG-000
Ресивер (Ref #4)
4
Part #21215-ME9-000
HOLDER (Ref #5)
5
Part #21281-MS9-750
Shim (0.60) (Ref #6)
6
Part #21315-MEG-000
Shim (0.55) (Ref #6)
6
Part #21314-MEG-000
Shim (0.50) (Ref #6)
6
Part #21313-MEG-000
Shim (0.40) (Ref #6)
6
Part #21311-MEG-000
Shim (0.45) (Ref #6)
6
Part #21312-MEG-000
Shim (0.35) (Ref #6)
6
Part #21310-MEG-000
Shim (0.30) (Ref #6)
6
Part #21309-MEG-000
Shim (0.75) (Ref #6)
6
Part #21318-MEG-000
Shim (0.65) (Ref #6)
6
Part #21316-MEG-000
Shim (0.70) (Ref #6)
6
Part #21317-MEG-000
HOLDER (Ref #7)
7
Part #21371-MS9-000
Shim (0.60) (Ref #8)
8
Part #21385-MB0-770
Shim (0.55) (Ref #8)
8
Part #21384-MB0-770
Shim (0.50) (Ref #8)
8
Part #21383-MB0-770
Shim (0.45) (Ref #8)
8
Part #21382-MB0-770
Shim (0.40) (Ref #8)
8
Part #21381-MB0-770
Shim (0.20) (Ref #8)
8
Part #21377-MB0-770
Shim (0.35) (Ref #8)
8
Part #21380-MB0-770
Shim (0.30) (Ref #8)
8
Part #21379-MB0-770
Shim (0.25) (Ref #8)
8
Part #21378-MB0-770
Комплект торсионного вала (Ref #9)
9
Part #23200-MEG-000
Lifter, damper (Ref #10)
10
Part #23721-ME9-000
Gear,damper shaft (Ref #11)
11
Part #23726-MBL-610
Spring, damper (Ref #12)
12
Part #23732-MS9-750
Collar (20x24x19.8) (Ref #13)
13
Part #23733-MS9-000
Sensor assy,, speed (Ref #14)
14
Part #37700-MFE-641
Grommet, a/clnr hsg (Ref #15)
15
Part #83551-GE2-000
Bolt, ubs (8x65) (Ref #16)
16
Part #90029-MBL-610
Bolt, ubs (8x110) (Ref #17)
17
Part #90030-MBL-610
Bolt, special (10mm) (Ref #18)
18
Part #90037-ME9-000
Bolt, ubs (8x60) (Ref #19)
19
Part #90063-MB0-003
Bolt, ubs (8x45) (Ref #20)
20
Part #90065-HA8-680
Nut, lock, 30mm (Ref #21)
21
Part #90241-MB0-000
Nut, lock, 30mm (Ref #21)
21
Part #90241-MB0-000
Nut, lock, 30mm (Ref #21)
21
Part #90241-MB0-000
Nut, lock, 30mm (Ref #21)
21
Part #90241-MB0-000
Nut, lock, 64mm (Ref #22)
22
Part #90242-MB0-000
Nut, lock, 64mm (Ref #22)
22
Part #90242-MB0-000
Nut, lock, 64mm (Ref #22)
22
Part #90242-MB0-000
Nut, lock, 64mm (Ref #22)
22
Part #90242-MB0-000
Washer, 10mm (Ref #23)
23
Part #90409-952-000
Washer a, thrust, 20mm (Ref #24)
24
Part #90451-704-000
Circlip (28mm) (Ref #25)
25
Part #90602-463-000
Установочный штифт (Ref #27)
27
Part #90701-MG8-000
Bearing (5206) (Ref #28)
28
Part #91012-MG7-003
Bearing, ball (6303) (Ref #29)
29
Part #91011-MB0-003
Oil seal (25x66x8.5) (Ref #31)
31
Part #91205-MG7-003
Прокладка (Ref #32)
32
Part #91301-MS9-003
Прокладка (Ref #33)
33
Part #91313-MA6-005
Прокладка (Ref #33)
33
Part #91313-MA6-005
Прокладка (Ref #33)
33
Part #91313-MA6-005
Прокладка (Ref #33)
33
Part #91313-MA6-005
Прокладка (Ref #34)
34
Part #91314-MG7-003
Прокладка (Ref #34)
34
Part #91314-MG7-003
Прокладка (Ref #34)
34
Part #91314-MG7-003
Прокладка (Ref #34)
34
Part #91314-MG7-003
Circlip (65mm) (Ref #36)
36
Part #9452065120
BOLT (Ref #37)
37
Part #95701-060-140-0
BOLT (Ref #37)
37
Part #95701-060-140-0
BOLT (Ref #37)
37
Part #95701-060-140-0
BOLT (Ref #37)
37
Part #95701-060-140-0
Bearing, radial ball, 6204 (Ref #38)
38
Part #96100-6204000
Bolt, socket (8x22) (Ref #39)
39
Part #96700-0802217
Bolt, socket (8x22) (Ref #39)
39
Part #96700-0802217
Bolt, socket (8x22) (Ref #39)
39
Part #96700-0802217
Bolt, socket (8x22) (Ref #39)
39
Part #96700-0802217
+ -
  • 1
    11380-MEG-A60

    Stay, l, rr, cover

    1
    Доступно: Нет в наличии
  • 2
    21100-MEG-000

    Case, side gear

    1
    Доступно: Нет в наличии
  • 3
    21200-MEG-000

    Case, side gear

    1
    Доступно: Нет в наличии
  • 4
    21215-ME9-000

    Ресивер

    1
    Доступно: Нет в наличии
  • 5
    21281-MS9-750

    HOLDER

    1
    Доступно: Нет в наличии
  • 6
    21315-MEG-000

    Shim (0.60)

    1
    Доступно: Нет в наличии
  • 6
    21314-MEG-000

    Shim (0.55)

    1
    Доступно: Нет в наличии
  • 6
    21313-MEG-000

    Shim (0.50)

    1
    Доступно: Нет в наличии
  • 6
    21311-MEG-000

    Shim (0.40)

    1
    Доступно: Нет в наличии
  • 6
    21312-MEG-000

    Shim (0.45)

    1
    Доступно: Нет в наличии
  • 6
    21310-MEG-000

    Shim (0.35)

    1
    Доступно: Нет в наличии
  • 6
    21309-MEG-000

    Shim (0.30)

    1
    Доступно: Нет в наличии
  • 6
    21318-MEG-000

    Shim (0.75)

    1
    Доступно: Нет в наличии
  • 6
    21316-MEG-000

    Shim (0.65)

    1
    Доступно: Нет в наличии
  • 6
    21317-MEG-000

    Shim (0.70)

    1
    Доступно: Нет в наличии
  • 7
    21371-MS9-000

    HOLDER

    1
    Доступно: Нет в наличии
  • 8
    21385-MB0-770

    Shim (0.60)

    1
    Доступно: Нет в наличии
  • 8
    21384-MB0-770

    Shim (0.55)

    1
    Доступно: Нет в наличии
  • 8
    21383-MB0-770

    Shim (0.50)

    1
    Доступно: Нет в наличии
  • 8
    21382-MB0-770

    Shim (0.45)

    1
    Доступно: Нет в наличии
  • 8
    21381-MB0-770

    Shim (0.40)

    1
    Доступно: Нет в наличии
  • 8
    21377-MB0-770

    Shim (0.20)

    1
    Доступно: Нет в наличии
  • 8
    21380-MB0-770

    Shim (0.35)

    1
    Доступно: Нет в наличии
  • 8
    21379-MB0-770

    Shim (0.30)

    1
    Доступно: Нет в наличии
  • 8
    21378-MB0-770

    Shim (0.25)

    1
    Доступно: Нет в наличии
  • 9
    23200-MEG-000

    Комплект торсионного вала

    1
    Доступно: Нет в наличии
  • 10
    23721-ME9-000

    Lifter, damper

    1
    Доступно: Нет в наличии
  • 11
    23726-MBL-610

    Gear,damper shaft

    1
    Доступно: Нет в наличии
  • 12
    23732-MS9-750

    Spring, damper

    1
    Доступно: Нет в наличии
  • 13
    23733-MS9-000

    Collar (20x24x19.8)

    1
    Доступно: Нет в наличии
  • 14
    37700-MFE-641

    Sensor assy,, speed

    1
    Доступно: Нет в наличии
  • 15
    83551-GE2-000

    Grommet, a/clnr hsg

    1
    Доступно: Нет в наличии
  • 16
    90029-MBL-610

    Bolt, ubs (8x65)

    1
    Доступно: Нет в наличии
  • 17
    90030-MBL-610

    Bolt, ubs (8x110)

    2
    Доступно: Нет в наличии
  • 18
    90037-ME9-000

    Bolt, special (10mm)

    1
    Доступно: Нет в наличии
  • 19
    90063-MB0-003

    Bolt, ubs (8x60)

    1
    Доступно: Нет в наличии
  • 20
    90065-HA8-680

    Bolt, ubs (8x45)

    1
    Доступно: Нет в наличии
  • 21
    90241-MB0-000

    Nut, lock, 30mm

    2
    Доступно: Нет в наличии
  • 22
    90242-MB0-000

    Nut, lock, 64mm

    2
    Доступно: Нет в наличии
  • 23
    90409-952-000

    Washer, 10mm

    1
    Доступно: Нет в наличии
  • 24
    90451-704-000

    Washer a, thrust, 20mm

    1
    Доступно: Нет в наличии
  • 25
    90602-463-000

    Circlip (28mm)

    1
    Доступно: Нет в наличии
  • 27
    90701-MG8-000

    Установочный штифт

    1
    Доступно: Нет в наличии
  • 28
    91012-MG7-003

    Bearing (5206)

    1
    Доступно: Нет в наличии
  • 29
    91011-MB0-003

    Bearing, ball (6303)

    1
    Доступно: Нет в наличии
  • 31
    91205-MG7-003

    Oil seal (25x66x8.5)

    1
    Доступно: Нет в наличии
  • 32
    91301-MS9-003

    Прокладка

    1
    Доступно: Нет в наличии
  • 33
    91313-MA6-005

    Прокладка

    2
    Доступно: Нет в наличии
  • 34
    91314-MG7-003

    Прокладка

    2
    Доступно: Нет в наличии
  • 36
    9452065120

    Circlip (65mm)

    1
    Доступно: Нет в наличии
  • 37
    95701-060-140-0

    BOLT

    2
    Доступно: Нет в наличии
  • 38
    96100-6204000

    Bearing, radial ball, 6204

    1
    Доступно: Нет в наличии
  • 39
    96700-0802217

    Bolt, socket (8x22)

    4
    Доступно: Нет в наличии