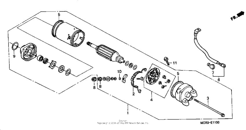
Starting motor
Starting motor
Motor assy., starter (Ref #1)
1
Part #31200-MBK-J01
Terminal set, brush (Ref #2)
2
Part #31201-MR6-008
Bolt, setting (Ref #3)
3
Part #31205-MR1-008
Holder set, brush (Ref #4)
4
Part #31206-MR6-008
RING (Ref #5)
5
Part #31207-KS5-901
RING (Ref #5)
5
Part #31207-KS5-901
RING (Ref #5)
5
Part #31207-KS5-901
RING (Ref #5)
5
Part #31207-KS5-901
Кабель стартера (Ref #6)
6
Part #32410-MCL-J00
Cover, starter motor terminal (Ref #7)
7
Part #32411-230-000
Nut-washer, 6mm (Ref #8)
8
Part #90071-MB0-000
Nut-washer, 6mm (Ref #8)
8
Part #90071-MB0-000
Nut-washer, 6mm (Ref #8)
8
Part #90071-MB0-000
Nut-washer, 6mm (Ref #8)
8
Part #90071-MB0-000
Прокладка (Ref #9)
9
Part #91312-MG7-003
Прокладка (Ref #10)
10
Part #91320-MB0-000
Bolt, flange, 6x32 (Ref #11)
11
Part #95801-0603200
