Санкт-Петербург, ул.Парковая д.6 (м. Московские ворота) +7(911)820-24-54 info.moto98@yandex.ru
  • В корзине пусто!

MOTO98.RU
  • Личный кабинет
    • Регистрация
    • Авторизация
  • Мои закладки (0)
  • Оформление заказа
Категории
  • Запчасти лодочных моторов
    • SUZUKI MARINE
    • Показать все Запчасти лодочных моторов
  • Запчасти для мотоциклов
    • KAWASAKI
    • AGUSTA
    • BMW MOTORRAD
    • BOMBARDIER
    • DUCATI
    • HARLEY DAVIDSON
    • HONDA MOTO
    • HUSQVARNA MOTORCYCIES
    • KTM
    • POLARIS
    • SUZUKI MOTO
    • TRIUMPH
    • YAMAHA
    • Показать все Запчасти для мотоциклов
  • Аналоги
    • ALLBALLS
    • CHAMPION
    • D.I.D
    • FERODO
    • HIFLOFILTRO
    • JT SPROCKETS
    • KYMCO
    • NACHI
    • NTB
    • TRW Lucas
    • КИТАЙ
    • Показать все Аналоги
  • Моторные масла
  • Каталоги производителей
  • Motorcycles
  • YAMAHA
  • 2009
  • TT-R125 (39C1)

TT-R125 (39C1)

TT-R125
Cylinder

Cylinder

Crankshaft & piston

Crankshaft & piston

Valve

Valve

Camshaft & chain

Camshaft & chain

Oil pump

Oil pump

Intake

Intake

Carburetor

Carburetor

Exhaust

Exhaust

Картер

Картер

Crankcase cover 1

Crankcase cover 1

Starter

Starter

Starter clutch

Starter clutch

Сцепление

Сцепление

Трансмиссия

Трансмиссия

Shift cam & fork

Shift cam & fork

Shift shaft

Shift shaft

Frame

Frame

Fender

Fender

Side cover

Side cover

Rear arm & suspension

Rear arm & suspension

Steering

Steering

Front fork

Front fork

Fuel tank

Fuel tank

Seat

Seat

Front wheel

Front wheel

Rear wheel

Rear wheel

Steering handle & cable

Steering handle & cable

Stand & footrest

Stand & footrest

Generator

Generator

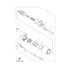
Starting motor

Starting motor

Handle switch & lever

Handle switch & lever

Electrical 1

Electrical 1

Информация
  • О нас
  • Оплата
  • Доставка
  • Условия продажи
  • Политика конфиденциальности
Служба поддержки
  • Связаться с нами
  • Возврат товара
  • Карта сайта
Дополнительно
  • Производители
  • Подарочные сертификаты
  • Партнёры
  • Товары со скидкой
Личный кабинет
  • Личный кабинет
  • История заказов
  • Мои закладки
  • Рассылка новостей

Работает на ocStore
MOTO98.RU © 2018 - 2026