Санкт-Петербург, ул.Парковая д.6 (м. Московские ворота) +7(911)820-24-54 info.moto98@yandex.ru
  • В корзине пусто!

MOTO98.RU
  • Личный кабинет
    • Регистрация
    • Авторизация
  • Мои закладки (0)
  • Оформление заказа
Категории
  • Запчасти лодочных моторов
    • SUZUKI MARINE
    • Показать все Запчасти лодочных моторов
  • Запчасти для мотоциклов
    • KAWASAKI
    • AGUSTA
    • BMW MOTORRAD
    • BOMBARDIER
    • DUCATI
    • HARLEY DAVIDSON
    • HONDA MOTO
    • HUSQVARNA MOTORCYCIES
    • KTM
    • POLARIS
    • SUZUKI MOTO
    • TRIUMPH
    • YAMAHA
    • Показать все Запчасти для мотоциклов
  • Аналоги
    • ALLBALLS
    • CHAMPION
    • D.I.D
    • FERODO
    • HIFLOFILTRO
    • JT SPROCKETS
    • KYMCO
    • NACHI
    • NTB
    • TRW Lucas
    • КИТАЙ
    • Показать все Аналоги
  • Моторные масла
  • Каталоги производителей
  • Motorcycles
  • YAMAHA
  • 2007
  • WR450 (5TJF)

WR450 (5TJF)

WR450
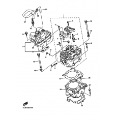
Cylinder

Cylinder

Crankshaft piston

Crankshaft piston

Valve

Valve

Camshaft & chain

Camshaft & chain

Водяной насос

Водяной насос

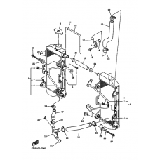
Radiator & hose

Radiator & hose

Oil pump

Oil pump

Oil cleaner

Oil cleaner

Intake

Intake

Carburetor assy

Carburetor assy

Exhaust

Exhaust

Air induction system

Air induction system

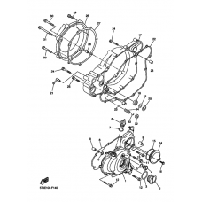
Картер

Картер

Crankcase cover ass`y (v

Crankcase cover ass`y (v

Starter

Starter

Starter clutch

Starter clutch

Сцепление

Сцепление

Трансмиссия

Трансмиссия

Shift cam & fork

Shift cam & fork

Shaft shift

Shaft shift

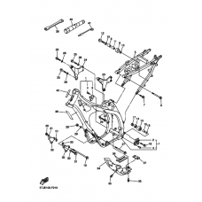
Frame comp

Frame comp

Fender

Fender

Side cover

Side cover

Rear arm

Rear arm

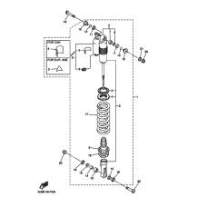
Rear suspension

Rear suspension

Steering

Steering

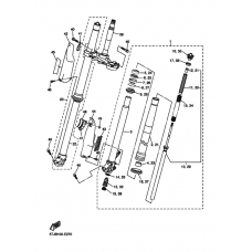
Front

Front

Tank fuel

Tank fuel

Seat

Seat

Transom + tube

Transom + tube

Front brake caliper

Front brake caliper

Rear wheel complete assy

Rear wheel complete assy

Rear brake caliper

Rear brake caliper

Steering handle

Steering handle

Front master cylinder

Front master cylinder

Support & repose pied

Support & repose pied

Rear master cylinder

Rear master cylinder

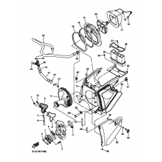
Generators

Generators

Starting motor

Starting motor

Meter

Meter

Phare

Phare

Taillight unit ass`y

Taillight unit ass`y

Interruptor manillar&palanc

Interruptor manillar&palanc

Equipo electrico

Equipo electrico

Alternate

Alternate

Информация
  • О нас
  • Оплата
  • Доставка
  • Условия продажи
  • Политика конфиденциальности
Служба поддержки
  • Связаться с нами
  • Возврат товара
  • Карта сайта
Дополнительно
  • Производители
  • Подарочные сертификаты
  • Партнёры
  • Товары со скидкой
Личный кабинет
  • Личный кабинет
  • История заказов
  • Мои закладки
  • Рассылка новостей

Работает на ocStore
MOTO98.RU © 2018 - 2026