Санкт-Петербург, ул.Парковая д.6 (м. Московские ворота) +7(911)820-24-54 info.moto98@yandex.ru
  • В корзине пусто!

MOTO98.RU
  • Личный кабинет
    • Регистрация
    • Авторизация
  • Мои закладки (0)
  • Оформление заказа
Категории
  • Запчасти лодочных моторов
    • SUZUKI MARINE
    • Показать все Запчасти лодочных моторов
  • Запчасти для мотоциклов
    • KAWASAKI
    • AGUSTA
    • BMW MOTORRAD
    • BOMBARDIER
    • DUCATI
    • HARLEY DAVIDSON
    • HONDA MOTO
    • HUSQVARNA MOTORCYCIES
    • KTM
    • POLARIS
    • SUZUKI MOTO
    • TRIUMPH
    • YAMAHA
    • Показать все Запчасти для мотоциклов
  • Аналоги
    • ALLBALLS
    • CHAMPION
    • D.I.D
    • FERODO
    • HIFLOFILTRO
    • JT SPROCKETS
    • KYMCO
    • NACHI
    • NTB
    • TRW Lucas
    • КИТАЙ
    • Показать все Аналоги
  • Моторные масла
  • Каталоги производителей
  • Motorcycles
  • YAMAHA
  • 2013
  • XJ6-N (Naked) (20SF)

XJ6-N (Naked) (20SF)

XJ6-N (Naked)
Cylinder head

Cylinder head

Crankshaft piston

Crankshaft piston

Valve

Valve

Camshaft & chain

Camshaft & chain

Водяной насос

Водяной насос

Radiator & hose

Radiator & hose

Oil pump

Oil pump

Oil cleaner

Oil cleaner

Intake

Intake

Oil pum

Oil pum

Air induction system

Air induction system

Exhaust

Exhaust

Картер

Картер

Crankcase cover ass`y (v

Crankcase cover ass`y (v

Starter

Starter

Сцепление

Сцепление

Трансмиссия

Трансмиссия

Shift cam & fork

Shift cam & fork

Shaft shift

Shaft shift

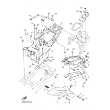
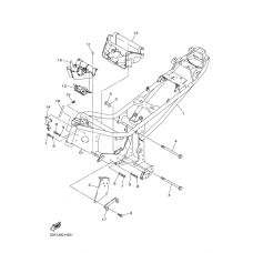
Frame comp

Frame comp

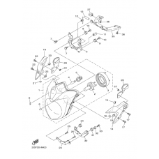
Fender

Fender

Side cover

Side cover

Rear arm

Rear arm

Rear suspension

Rear suspension

Steering

Steering

Front

Front

Tank fuel

Tank fuel

Seat

Seat

Transom + tube

Transom + tube

Front brake caliper

Front brake caliper

Rear wheel complete assy

Rear wheel complete assy

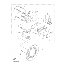
Rear brake caliper

Rear brake caliper

Steering handle

Steering handle

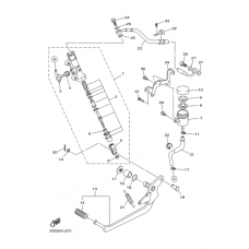
Front master cylinder

Front master cylinder

Support & repose pied

Support & repose pied

Rear master cylinder

Rear master cylinder

Generators

Generators

Starting motor

Starting motor

Flasher Light

Flasher Light

Meter

Meter

Phare

Phare

Taillight unit ass`y

Taillight unit ass`y

Interruptor manillar&palanc

Interruptor manillar&palanc

Equipo electrico

Equipo electrico

Информация
  • О нас
  • Оплата
  • Доставка
  • Условия продажи
  • Политика конфиденциальности
Служба поддержки
  • Связаться с нами
  • Возврат товара
  • Карта сайта
Дополнительно
  • Производители
  • Подарочные сертификаты
  • Партнёры
  • Товары со скидкой
Личный кабинет
  • Личный кабинет
  • История заказов
  • Мои закладки
  • Рассылка новостей

Работает на ocStore
MOTO98.RU © 2018 - 2026