Санкт-Петербург, ул.Парковая д.6 (м. Московские ворота)
+7(911)820-24-54
info.moto98@yandex.ru
0 товар(ов) - 0.00 р.
В корзине пусто!
Поиск
Личный кабинет
Регистрация
Авторизация
Мои закладки (0)
Оформление заказа
Категории
Запчасти лодочных моторов
SUZUKI MARINE
Показать все Запчасти лодочных моторов
Запчасти для мотоциклов
KAWASAKI
AGUSTA
BMW MOTORRAD
BOMBARDIER
DUCATI
HARLEY DAVIDSON
HONDA MOTO
HUSQVARNA MOTORCYCIES
KTM
POLARIS
SUZUKI MOTO
TRIUMPH
YAMAHA
Показать все Запчасти для мотоциклов
Аналоги
ALLBALLS
CHAMPION
D.I.D
FERODO
HIFLOFILTRO
JT SPROCKETS
KYMCO
NACHI
NTB
TRW Lucas
КИТАЙ
Показать все Аналоги
Моторные масла
Каталоги производителей
Motorcycles
YAMAHA
2016
Diversion F (ABS) (1DGD)
Diversion F (ABS) (1DGD)
Diversion F (ABS)
Головка цилиндра
Коленчатый вал & Поршень
Клапан
Распредвал & Цепь ГРМ
Водяной насос
Радиатор & Патрубок системы охлаждения
Масляный насос
Масляный фильтр
Впускная система
Впускная система 2
Система индукции воздуха
Выхлопная система
Картер двигателя
Крышки картера 1
Привод стартера
Сцепление
Трансмиссия
Вал переключения
Рама
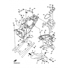
Крыло
Боковая крышка
Задний рычаг & Подвеска
Задняя подвеска
Рулевой механизм
Вилка передней оси
Топливный бак
Сиденье
Переднее колесо
Передний тормоз
Заднее колесо
Задний тормозной суппорт
Руль & Тросики
Передний тормозной цилиндр
Подножки & Подставка
Задний тормозной цилиндр
Облицовочные элементы 1
Облицовочные элементы 2
Генератор
Стартер электрический
Поворотники
Панель приборов
Фара
Задний фонарь (Стоп-сигнал)
Пульт управления рулевой & Рычаг
Электрооборудование 1
Электрооборудование 2
Электрооборудование 3