Санкт-Петербург, ул.Парковая д.6 (м. Московские ворота) +7(911)820-24-54 info.moto98@yandex.ru
  • В корзине пусто!

MOTO98.RU
  • Личный кабинет
    • Регистрация
    • Авторизация
  • Мои закладки (0)
  • Оформление заказа
Категории
  • Запчасти лодочных моторов
    • SUZUKI MARINE
    • Показать все Запчасти лодочных моторов
  • Запчасти для мотоциклов
    • KAWASAKI
    • AGUSTA
    • BMW MOTORRAD
    • BOMBARDIER
    • DUCATI
    • HARLEY DAVIDSON
    • HONDA MOTO
    • HUSQVARNA MOTORCYCIES
    • KTM
    • POLARIS
    • SUZUKI MOTO
    • TRIUMPH
    • YAMAHA
    • Показать все Запчасти для мотоциклов
  • Аналоги
    • ALLBALLS
    • CHAMPION
    • D.I.D
    • FERODO
    • HIFLOFILTRO
    • JT SPROCKETS
    • KYMCO
    • NACHI
    • NTB
    • TRW Lucas
    • КИТАЙ
    • Показать все Аналоги
  • Моторные масла
  • Каталоги производителей
  • Motorcycles
  • HONDA
  • 1995
  • CB1000R,CB1000 (CB1000 A)

CB1000R,CB1000 (CB1000 A)

CB1000R,CB1000
Воздушный фильтр

Воздушный фильтр

Alternator

Alternator

Battery

Battery

Cam chain

Cam chain

Camshaft

Camshaft

Carburetor assy.

Carburetor assy.

Carburetor components

Carburetor components

Caution label

Caution label

Сцепление

Сцепление

Главный цилиндр сцепления

Главный цилиндр сцепления

Картер

Картер

Crankshaft

Crankshaft

Cylinder

Cylinder

Cylinder head

Cylinder head

Cylinder head cover

Cylinder head cover

Frame

Frame

Front brake caliper

Front brake caliper

Front brake master cylinder

Front brake master cylinder

Front fender

Front fender

Front fork

Front fork

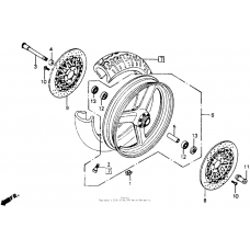
Front wheel

Front wheel

Fuel tank

Fuel tank

Gasket kit a

Gasket kit a

Gasket kit b

Gasket kit b

Gearshift drum

Gearshift drum

Handle switch + cables

Handle switch + cables

Handlebar

Handlebar

Headlight

Headlight

Left crankcase cover

Left crankcase cover

Left side cover

Left side cover

Mark

Mark

Meters

Meters

Muffler

Muffler

Oil pan

Oil pan

Pedal

Pedal

Radiator

Radiator

Rear brake caliper

Rear brake caliper

Rear brake master cylinder

Rear brake master cylinder

Rear fender

Rear fender

Rear shock absorber

Rear shock absorber

Rear wheel

Rear wheel

Right crankcase cover

Right crankcase cover

Seat

Seat

Side cover

Side cover

Stand

Stand

Starting clutch

Starting clutch

Starting motor

Starting motor

Steering stem

Steering stem

Step

Step

Swingarm

Swingarm

Taillight

Taillight

Tools

Tools

Трансмиссия

Трансмиссия

Turn signal

Turn signal

Water pipe

Water pipe

Водяной насос

Водяной насос

Wire harness

Wire harness

Информация
  • О нас
  • Оплата
  • Доставка
  • Условия продажи
  • Политика конфиденциальности
Служба поддержки
  • Связаться с нами
  • Возврат товара
  • Карта сайта
Дополнительно
  • Производители
  • Подарочные сертификаты
  • Партнёры
  • Товары со скидкой
Личный кабинет
  • Личный кабинет
  • История заказов
  • Мои закладки
  • Рассылка новостей

Работает на ocStore
MOTO98.RU © 2018 - 2026