Санкт-Петербург, ул.Парковая д.6 (м. Московские ворота) +7(911)820-24-54 info.moto98@yandex.ru
  • В корзине пусто!

MOTO98.RU
  • Личный кабинет
    • Регистрация
    • Авторизация
  • Мои закладки (0)
  • Оформление заказа
Категории
  • Запчасти лодочных моторов
    • SUZUKI MARINE
    • Показать все Запчасти лодочных моторов
  • Запчасти для мотоциклов
    • KAWASAKI
    • AGUSTA
    • BMW MOTORRAD
    • BOMBARDIER
    • DUCATI
    • HARLEY DAVIDSON
    • HONDA MOTO
    • HUSQVARNA MOTORCYCIES
    • KTM
    • POLARIS
    • SUZUKI MOTO
    • TRIUMPH
    • YAMAHA
    • Показать все Запчасти для мотоциклов
  • Аналоги
    • ALLBALLS
    • CHAMPION
    • D.I.D
    • FERODO
    • HIFLOFILTRO
    • JT SPROCKETS
    • KYMCO
    • NACHI
    • NTB
    • TRW Lucas
    • КИТАЙ
    • Показать все Аналоги
  • Моторные масла
  • Каталоги производителей
  • Motorcycles
  • HONDA
  • 1993
  • CBR900RR Fireblade (CBR900RRP)

CBR900RR Fireblade (CBR900RRP)

CBR900RR Fireblade
Cylinder head cover

Cylinder head cover

Cylinder head

Cylinder head

Camshaft/valve

Camshaft/valve

Cam chain/tensioner

Cam chain/tensioner

Right crankcase cover              

                  1

Right crankcase cover 1

Сцепление

Сцепление

Starting clutch

Starting clutch

Generator cover

Generator cover

Generators

Generators

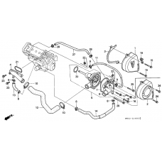
Водяной насос

Водяной насос

Starting motor

Starting motor

Oil pan/oil pump

Oil pan/oil pump

Картер

Картер

Crankshaft/piston              

                  1

Crankshaft/piston 1

Трансмиссия

Трансмиссия

Gearshift drum

Gearshift drum

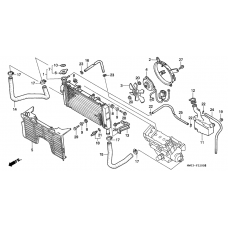
Thermostat

Thermostat

Carburetor assy              

                  COMPONENT PARTS

Carburetor assy COMPONENT PARTS

Carburetor assy              

                  ASSY.

Carburetor assy ASSY.

Gasket kit a

Gasket kit a

Gasket kit b

Gasket kit b

Phare              

                  1

Phare 1

Meter              

                  1

Meter 1

Cable/switch

Cable/switch

Fr. brake master cylinder

Fr. brake master cylinder

Handle pipe/top bridge

Handle pipe/top bridge

Steering stem

Steering stem

Front fender              

                  1

Front fender 1

Front

Front

Front brake caliper

Front brake caliper

Transom + tube              

                  1

Transom + tube 1

Rear brake master cylinder

Rear brake master cylinder

Rear brake caliper

Rear brake caliper

Rear wheel complete assy

Rear wheel complete assy

Tank fuel              

                  1

Tank fuel 1

Fuel pump

Fuel pump

Seat

Seat

Side cover

Side cover

Воздушный фильтр

Воздушный фильтр

Exhaust muffler

Exhaust muffler

Brake pedal assy              

                  1

Brake pedal assy 1

Step              

                  1

Step 1

Stand comp

Stand comp

Swingarm

Swingarm

Rear cushion

Rear cushion

Rear fender

Rear fender

Winker              

                  1

Winker 1

Taillight unit ass`y

Taillight unit ass`y

Battery

Battery

Harness wire

Harness wire

Frame body

Frame body

Tools

Tools

Radiator              

                  1

Radiator 1

Upper cowling assy              

                  1

Upper cowling assy 1

Lower cowl

Lower cowl

Caution label

Caution label

Stripe/mark              

                  2

Stripe/mark 2

Информация
  • О нас
  • Оплата
  • Доставка
  • Условия продажи
  • Политика конфиденциальности
Служба поддержки
  • Связаться с нами
  • Возврат товара
  • Карта сайта
Дополнительно
  • Производители
  • Подарочные сертификаты
  • Партнёры
  • Товары со скидкой
Личный кабинет
  • Личный кабинет
  • История заказов
  • Мои закладки
  • Рассылка новостей

Работает на ocStore
MOTO98.RU © 2018 - 2026