Санкт-Петербург, ул.Парковая д.6 (м. Московские ворота) +7(911)820-24-54 info.moto98@yandex.ru
  • В корзине пусто!

MOTO98.RU
  • Личный кабинет
    • Регистрация
    • Авторизация
  • Мои закладки (0)
  • Оформление заказа
Категории
  • Запчасти лодочных моторов
    • SUZUKI MARINE
    • Показать все Запчасти лодочных моторов
  • Запчасти для мотоциклов
    • KAWASAKI
    • AGUSTA
    • BMW MOTORRAD
    • BOMBARDIER
    • DUCATI
    • HARLEY DAVIDSON
    • HONDA MOTO
    • HUSQVARNA MOTORCYCIES
    • KTM
    • POLARIS
    • SUZUKI MOTO
    • TRIUMPH
    • YAMAHA
    • Показать все Запчасти для мотоциклов
  • Аналоги
    • ALLBALLS
    • CHAMPION
    • D.I.D
    • FERODO
    • HIFLOFILTRO
    • JT SPROCKETS
    • KYMCO
    • NACHI
    • NTB
    • TRW Lucas
    • КИТАЙ
    • Показать все Аналоги
  • Моторные масла
  • Каталоги производителей
  • Motorcycles
  • HONDA
  • 1990
  • CBR500R,CBR500 (CBR500FL)

CBR500R,CBR500 (CBR500FL)

CBR500R,CBR500
Cylinder head cover

Cylinder head cover

Cylinder head

Cylinder head

Cylinder

Cylinder

Camshaft/valve

Camshaft/valve

Cam chain/tensioner

Cam chain/tensioner

Right crankcase cover

Right crankcase cover

Сцепление

Сцепление

Starting clutch

Starting clutch

Generators

Generators

Left rear cover/ water pump

Left rear cover/ water pump

Starting motor

Starting motor

Oil pan/oil pump

Oil pan/oil pump

Картер

Картер

Crankshaft/piston

Crankshaft/piston

Трансмиссия

Трансмиссия

Gearshift drum

Gearshift drum

Carburetor assy              

                  ASSY.

Carburetor assy ASSY.

Carburetor assy              

                  COMPONENT PARTS

Carburetor assy COMPONENT PARTS

Gasket kit a

Gasket kit a

Gasket kit b

Gasket kit b

Phare

Phare

Meter

Meter

Handle lever/switch/cable

Handle lever/switch/cable

Fr. brake master cylinder

Fr. brake master cylinder

Handle pipe/top bridge

Handle pipe/top bridge

Steering stem

Steering stem

Front fender

Front fender

Front

Front

Front brake caliper

Front brake caliper

Transom + tube

Transom + tube

Rear brake master cylinder

Rear brake master cylinder

Rear brake caliper

Rear brake caliper

Rear wheel complete assy

Rear wheel complete assy

Tank fuel

Tank fuel

Seat/seat cowl

Seat/seat cowl

Side cover

Side cover

Battery/battery box

Battery/battery box

Воздушный фильтр

Воздушный фильтр

Exhaust muffler

Exhaust muffler

Brake pedal/change pedal

Brake pedal/change pedal

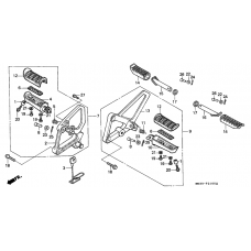
Step

Step

Stand comp

Stand comp

Swingarm

Swingarm

Rear cushion              

                  CBR500FK/FL/FM

Rear cushion CBR500FK/FL/FM

Rear fender              

                  AR

Rear fender AR

Winker

Winker

Taillight unit ass`y

Taillight unit ass`y

Harness wire

Harness wire

Radiator

Radiator

Frame body/oil cooler

Frame body/oil cooler

Tools

Tools

Upper cowling assy

Upper cowling assy

Lower cowl

Lower cowl

Decal              

                  CBR500FK/FL/FM

Decal CBR500FK/FL/FM

Информация
  • О нас
  • Оплата
  • Доставка
  • Условия продажи
  • Политика конфиденциальности
Служба поддержки
  • Связаться с нами
  • Возврат товара
  • Карта сайта
Дополнительно
  • Производители
  • Подарочные сертификаты
  • Партнёры
  • Товары со скидкой
Личный кабинет
  • Личный кабинет
  • История заказов
  • Мои закладки
  • Рассылка новостей

Работает на ocStore
MOTO98.RU © 2018 - 2026