Санкт-Петербург, ул.Парковая д.6 (м. Московские ворота) +7(911)820-24-54 info.moto98@yandex.ru
  • В корзине пусто!

MOTO98.RU
  • Личный кабинет
    • Регистрация
    • Авторизация
  • Мои закладки (0)
  • Оформление заказа
Категории
  • Запчасти лодочных моторов
    • SUZUKI MARINE
    • Показать все Запчасти лодочных моторов
  • Запчасти для мотоциклов
    • KAWASAKI
    • AGUSTA
    • BMW MOTORRAD
    • BOMBARDIER
    • DUCATI
    • HARLEY DAVIDSON
    • HONDA MOTO
    • HUSQVARNA MOTORCYCIES
    • KTM
    • POLARIS
    • SUZUKI MOTO
    • TRIUMPH
    • YAMAHA
    • Показать все Запчасти для мотоциклов
  • Аналоги
    • ALLBALLS
    • CHAMPION
    • D.I.D
    • FERODO
    • HIFLOFILTRO
    • JT SPROCKETS
    • KYMCO
    • NACHI
    • NTB
    • TRW Lucas
    • КИТАЙ
    • Показать все Аналоги
  • Моторные масла
  • Каталоги производителей
  • Motorcycles
  • HONDA
  • 1994
  • CR250 (CR250RR)

CR250 (CR250RR)

CR250
Cylinder/ cylinder head

Cylinder/ cylinder head

Right crankcase cover

Right crankcase cover

Водяной насос

Водяной насос

Exhaust valve

Exhaust valve

Generator/c.d.i. unit/ left crankcase cover

Generator/c.d.i. unit/ left crankcase cover

Сцепление

Сцепление

Kick starter spindle

Kick starter spindle

Картер

Картер

Crankshaft/piston

Crankshaft/piston

Трансмиссия

Трансмиссия

Gearshift drum

Gearshift drum

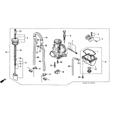
Carburetor assy

Carburetor assy

Carburetor optional parts kit

Carburetor optional parts kit

Gasket kit

Gasket kit

Handle lever/switch/ cable

Handle lever/switch/ cable

Fr. brake master cylinder

Fr. brake master cylinder

Handle pipe/top bridge

Handle pipe/top bridge

Steering stem

Steering stem

Front fender

Front fender

Front

Front

Front brake caliper

Front brake caliper

Transom + tube

Transom + tube

Rear wheel complete assy

Rear wheel complete assy

Rear brake caliper

Rear brake caliper

Tank fuel

Tank fuel

Rear brake master cylinder

Rear brake master cylinder

Seat/side cover

Seat/side cover

Воздушный фильтр

Воздушный фильтр

Huffler

Huffler

Stand/step

Stand/step

Pedal/kick starter arm

Pedal/kick starter arm

Rear cushion

Rear cushion

Swingarm/drive chain

Swingarm/drive chain

Rear fender

Rear fender

Radiator

Radiator

Tools

Tools

Frame body/ ignition coil

Frame body/ ignition coil

Label read the manual

Label read the manual

Caution label

Caution label

Информация
  • О нас
  • Оплата
  • Доставка
  • Условия продажи
  • Политика конфиденциальности
Служба поддержки
  • Связаться с нами
  • Возврат товара
  • Карта сайта
Дополнительно
  • Производители
  • Подарочные сертификаты
  • Партнёры
  • Товары со скидкой
Личный кабинет
  • Личный кабинет
  • История заказов
  • Мои закладки
  • Рассылка новостей

Работает на ocStore
MOTO98.RU © 2018 - 2026