Санкт-Петербург, ул.Парковая д.6 (м. Московские ворота) +7(911)820-24-54 info.moto98@yandex.ru
  • В корзине пусто!

MOTO98.RU
  • Личный кабинет
    • Регистрация
    • Авторизация
  • Мои закладки (0)
  • Оформление заказа
Категории
  • Запчасти лодочных моторов
    • SUZUKI MARINE
    • Показать все Запчасти лодочных моторов
  • Запчасти для мотоциклов
    • KAWASAKI
    • AGUSTA
    • BMW MOTORRAD
    • BOMBARDIER
    • DUCATI
    • HARLEY DAVIDSON
    • HONDA MOTO
    • HUSQVARNA MOTORCYCIES
    • KTM
    • POLARIS
    • SUZUKI MOTO
    • TRIUMPH
    • YAMAHA
    • Показать все Запчасти для мотоциклов
  • Аналоги
    • ALLBALLS
    • CHAMPION
    • D.I.D
    • FERODO
    • HIFLOFILTRO
    • JT SPROCKETS
    • KYMCO
    • NACHI
    • NTB
    • TRW Lucas
    • КИТАЙ
    • Показать все Аналоги
  • Моторные масла
  • Каталоги производителей
  • Motorcycles
  • HONDA
  • 1992
  • CT70 (CT70 A)

CT70 (CT70 A)

CT70
Carburetor

Carburetor

Сцепление

Сцепление

Front fork

Front fork

Front wheel

Front wheel

Gearshift drum

Gearshift drum

Handlebar

Handlebar

Muffler

Muffler

Rear shock absorber

Rear shock absorber

Rear wheel

Rear wheel

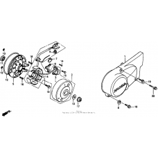
Right crankcase cover

Right crankcase cover

Трансмиссия

Трансмиссия

Воздушный фильтр

Воздушный фильтр

Cylinder head cover

Cylinder head cover

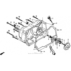
Frame

Frame

Front brake panel

Front brake panel

Front fender

Front fender

Fuel tank

Fuel tank

Kick starter spindle

Kick starter spindle

Rear brake panel

Rear brake panel

Rear fender

Rear fender

Steering stem

Steering stem

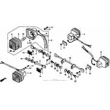
Taillight

Taillight

Battery

Battery

Cam chain

Cam chain

Camshaft

Camshaft

Caution label

Caution label

Картер

Картер

Crankshaft

Crankshaft

Cylinder head

Cylinder head

Gasket kit a

Gasket kit a

Gasket kit b

Gasket kit b

Handle switch + cables + mirrors

Handle switch + cables + mirrors

Headlight

Headlight

Left crankcase cover

Left crankcase cover

Mark

Mark

Pedal

Pedal

Seat

Seat

Stand

Stand

Step

Step

Swingarm

Swingarm

Tools

Tools

Turn signal

Turn signal

Wire harness

Wire harness

Информация
  • О нас
  • Оплата
  • Доставка
  • Условия продажи
  • Политика конфиденциальности
Служба поддержки
  • Связаться с нами
  • Возврат товара
  • Карта сайта
Дополнительно
  • Производители
  • Подарочные сертификаты
  • Партнёры
  • Товары со скидкой
Личный кабинет
  • Личный кабинет
  • История заказов
  • Мои закладки
  • Рассылка новостей

Работает на ocStore
MOTO98.RU © 2018 - 2026