Санкт-Петербург, ул.Парковая д.6 (м. Московские ворота) +7(911)820-24-54 info.moto98@yandex.ru
  • В корзине пусто!

MOTO98.RU
  • Личный кабинет
    • Регистрация
    • Авторизация
  • Мои закладки (0)
  • Оформление заказа
Категории
  • Запчасти лодочных моторов
    • SUZUKI MARINE
    • Показать все Запчасти лодочных моторов
  • Запчасти для мотоциклов
    • KAWASAKI
    • AGUSTA
    • BMW MOTORRAD
    • BOMBARDIER
    • DUCATI
    • HARLEY DAVIDSON
    • HONDA MOTO
    • HUSQVARNA MOTORCYCIES
    • KTM
    • POLARIS
    • SUZUKI MOTO
    • TRIUMPH
    • YAMAHA
    • Показать все Запчасти для мотоциклов
  • Аналоги
    • ALLBALLS
    • CHAMPION
    • D.I.D
    • FERODO
    • HIFLOFILTRO
    • JT SPROCKETS
    • KYMCO
    • NACHI
    • NTB
    • TRW Lucas
    • КИТАЙ
    • Показать все Аналоги
  • Моторные масла
  • Каталоги производителей
  • Motorcycles
  • HONDA
  • 1990
  • FL400 (FL400RL)

FL400 (FL400RL)

FL400
Cylinder head

Cylinder head

Starter assy recoil

Starter assy recoil

Водяной насос

Водяной насос

Right crankcase cover

Right crankcase cover

Generators

Generators

Starting motor

Starting motor

Картер

Картер

Piston/crankshaft

Piston/crankshaft

Torque clutch

Torque clutch

Reduction case

Reduction case

Reduction gear

Reduction gear

Reduction shift fork

Reduction shift fork

Engine pulley

Engine pulley

Casing pulley

Casing pulley

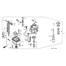
Carburetor assy

Carburetor assy

Gasket kit a

Gasket kit a

Gasket kit b

Gasket kit b

Phare

Phare

Brake master cylinder/ brake hose

Brake master cylinder/ brake hose

Steering handle

Steering handle

Steering column

Steering column

Front fender

Front fender

Shift lever ass`y

Shift lever ass`y

Front cushion

Front cushion

Front arm

Front arm

Front brake panel

Front brake panel

Transom + tube

Transom + tube

Parking brake lever

Parking brake lever

Rear brake caliper

Rear brake caliper

Rear wheel complete assy

Rear wheel complete assy

Tank fuel

Tank fuel

Seat

Seat

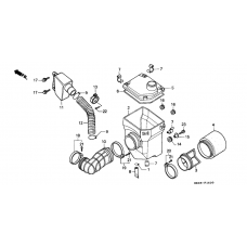
Воздушный фильтр

Воздушный фильтр

Exhaust muffler

Exhaust muffler

Rear arm

Rear arm

Rear cushion

Rear cushion

Rear fender

Rear fender

Taillight unit ass`y

Taillight unit ass`y

Harness wire

Harness wire

Radiator

Radiator

Roll bar

Roll bar

Frame body

Frame body

Tools

Tools

Label read the manual

Label read the manual

Информация
  • О нас
  • Оплата
  • Доставка
  • Условия продажи
  • Политика конфиденциальности
Служба поддержки
  • Связаться с нами
  • Возврат товара
  • Карта сайта
Дополнительно
  • Производители
  • Подарочные сертификаты
  • Партнёры
  • Товары со скидкой
Личный кабинет
  • Личный кабинет
  • История заказов
  • Мои закладки
  • Рассылка новостей

Работает на ocStore
MOTO98.RU © 2018 - 2026