Санкт-Петербург, ул.Парковая д.6 (м. Московские ворота) +7(911)820-24-54 info.moto98@yandex.ru
  • В корзине пусто!

MOTO98.RU
  • Личный кабинет
    • Регистрация
    • Авторизация
  • Мои закладки (0)
  • Оформление заказа
Категории
  • Запчасти лодочных моторов
    • SUZUKI MARINE
    • Показать все Запчасти лодочных моторов
  • Запчасти для мотоциклов
    • KAWASAKI
    • AGUSTA
    • BMW MOTORRAD
    • BOMBARDIER
    • DUCATI
    • HARLEY DAVIDSON
    • HONDA MOTO
    • HUSQVARNA MOTORCYCIES
    • KTM
    • POLARIS
    • SUZUKI MOTO
    • TRIUMPH
    • YAMAHA
    • Показать все Запчасти для мотоциклов
  • Аналоги
    • ALLBALLS
    • CHAMPION
    • D.I.D
    • FERODO
    • HIFLOFILTRO
    • JT SPROCKETS
    • KYMCO
    • NACHI
    • NTB
    • TRW Lucas
    • КИТАЙ
    • Показать все Аналоги
  • Моторные масла
  • Каталоги производителей
  • Motorcycles
  • HONDA
  • 2016
  • Ruckus (NPS50 AC)

Ruckus (NPS50 AC)

Ruckus
Accessories

Accessories

Воздушный фильтр

Воздушный фильтр

Alternator stator

Alternator stator

Цепь ГРМ & Натяжитель & Успокоитель

Цепь ГРМ & Натяжитель & Успокоитель

Распредвал & Клапан

Распредвал & Клапан

Карбюратор

Карбюратор

Информационные наклейки

Информационные наклейки

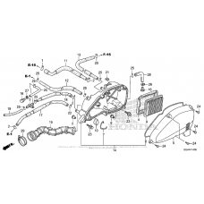
Cooling fan + radiator cover

Cooling fan + radiator cover

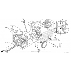
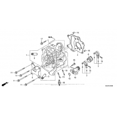
Картер двигателя

Картер двигателя

Коленчатый вал

Коленчатый вал

Головка цилиндра

Головка цилиндра

Клапанная крышка

Клапанная крышка

Drive face + kick starter spindle

Drive face + kick starter spindle

Driven face

Driven face

Floor step

Floor step

Рама

Рама

Front cover + battery

Front cover + battery

Переднее крыло

Переднее крыло

Front fork + steering stem

Front fork + steering stem

Передние колесо

Передние колесо

Топливный бак

Топливный бак

Комплект прокладок

Комплект прокладок "А"

Комплект прокладок

Комплект прокладок "В"

Ручка руля & Пульт управления рулевой & Тросики

Ручка руля & Пульт управления рулевой & Тросики

Руль

Руль

Фара

Фара

Mark

Mark

Выхлопная система

Выхлопная система

Масляный насос

Масляный насос

Радиатор

Радиатор

Заднее крыло

Заднее крыло

Задний амортизатор

Задний амортизатор

Заднее колесо

Заднее колесо

Сиденье

Сиденье

Спидометр

Спидометр

Stand + kick starter arm

Stand + kick starter arm

Swingarm + left side cover

Swingarm + left side cover

Задний фонарь (Стоп-сигнал)

Задний фонарь (Стоп-сигнал)

Инструмент

Инструмент

Трансмиссия

Трансмиссия

Поворотники

Поворотники

Ventilation valve

Ventilation valve

Водяной насос

Водяной насос

Электрооборудование

Электрооборудование

Информация
  • О нас
  • Оплата
  • Доставка
  • Условия продажи
  • Политика конфиденциальности
Служба поддержки
  • Связаться с нами
  • Возврат товара
  • Карта сайта
Дополнительно
  • Производители
  • Подарочные сертификаты
  • Партнёры
  • Товары со скидкой
Личный кабинет
  • Личный кабинет
  • История заказов
  • Мои закладки
  • Рассылка новостей

Работает на ocStore
MOTO98.RU © 2018 - 2026