Санкт-Петербург, ул.Парковая д.6 (м. Московские ворота) +7(911)820-24-54 info.moto98@yandex.ru
  • В корзине пусто!

MOTO98.RU
  • Личный кабинет
    • Регистрация
    • Авторизация
  • Мои закладки (0)
  • Оформление заказа
Категории
  • Запчасти лодочных моторов
    • SUZUKI MARINE
    • Показать все Запчасти лодочных моторов
  • Запчасти для мотоциклов
    • KAWASAKI
    • AGUSTA
    • BMW MOTORRAD
    • BOMBARDIER
    • DUCATI
    • HARLEY DAVIDSON
    • HONDA MOTO
    • HUSQVARNA MOTORCYCIES
    • KTM
    • POLARIS
    • SUZUKI MOTO
    • TRIUMPH
    • YAMAHA
    • Показать все Запчасти для мотоциклов
  • Аналоги
    • ALLBALLS
    • CHAMPION
    • D.I.D
    • FERODO
    • HIFLOFILTRO
    • JT SPROCKETS
    • KYMCO
    • NACHI
    • NTB
    • TRW Lucas
    • КИТАЙ
    • Показать все Аналоги
  • Моторные масла
  • Каталоги производителей
  • Motorcycles
  • HONDA
  • 2006
  • Zoomer (NPS506)

Zoomer (NPS506)

Zoomer
Cylinder head cover              

                  NPS505/6

Cylinder head cover NPS505/6

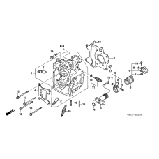
Cylinder head              

                  NPS505/6

Cylinder head NPS505/6

Camshaft/valve              

                  NPS505/6

Camshaft/valve NPS505/6

Cam chain/tensioner

Cam chain/tensioner

Водяной насос

Водяной насос

Cooling fan/fan cover

Cooling fan/fan cover

A.c.g. starter              

                  NPS505/6/8/9

A.c.g. starter NPS505/6/8/9

Oil pump

Oil pump

Swingarm/ left crankcase cover

Swingarm/ left crankcase cover

Drive face/ kick starter spindle

Drive face/ kick starter spindle

Driven face

Driven face

Трансмиссия

Трансмиссия

Crankcase              

                  NPS505/6/8/9

Crankcase NPS505/6/8/9

Crankshaft

Crankshaft

Throttle body              

                  NPS505/6

Throttle body NPS505/6

Gasket kit a

Gasket kit a

Gasket kit b

Gasket kit b

Phare              

                  NPS505/6

Phare NPS505/6

Meter

Meter

Handle lever/switch/cable

Handle lever/switch/cable

Handle pipe              

                  NPS503/5/6

Handle pipe NPS503/5/6

Front fender

Front fender

Front cover/battery

Front cover/battery

Floor step

Floor step

Front fork/front cushion

Front fork/front cushion

Transom + tube

Transom + tube

Rear wheel complete assy

Rear wheel complete assy

Seat

Seat

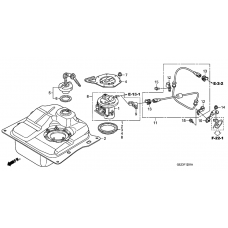
Tank fuel              

                  NPS505/6/8/9

Tank fuel NPS505/6/8/9

Rear fender

Rear fender

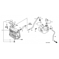
Air cleaner              

                  NPS505/6/8/9

Air cleaner NPS505/6/8/9

Solenoid valve

Solenoid valve

Exhaust muffler              

                  NPS505/6

Exhaust muffler NPS505/6

Stand/kick pedal

Stand/kick pedal

Rear cushion

Rear cushion

Winker              

                  NPS503/5/6

Winker NPS503/5/6

Taillight unit ass`y              

                  NPS503/5/6

Taillight unit ass`y NPS503/5/6

Harness wire              

                  NPS505/6

Harness wire NPS505/6

Frame body              

                  NPS505/6/8/9

Frame body NPS505/6/8/9

Radiator

Radiator

Tools

Tools

Caution label              

                  NPS505/6

Caution label NPS505/6

Label read the manual              

                  NPS505/6/8/9

Label read the manual NPS505/6/8/9

Side panel set moriwaki

Side panel set moriwaki

Hologram panel set

Hologram panel set

Backrest

Backrest

Oil temp gaug alu

Oil temp gaug alu

Oil temp gaug blue

Oil temp gaug blue

Exhaust cover silver

Exhaust cover silver

Exhaust cover gold

Exhaust cover gold

Rear carrier

Rear carrier

Rubber net a

Rubber net a

Side net grill set

Side net grill set

Racing foot rest

Racing foot rest

Seat under box

Seat under box

Set radiator & coolant tankcover

Set radiator & coolant tankcover

Информация
  • О нас
  • Оплата
  • Доставка
  • Условия продажи
  • Политика конфиденциальности
Служба поддержки
  • Связаться с нами
  • Возврат товара
  • Карта сайта
Дополнительно
  • Производители
  • Подарочные сертификаты
  • Партнёры
  • Товары со скидкой
Личный кабинет
  • Личный кабинет
  • История заказов
  • Мои закладки
  • Рассылка новостей

Работает на ocStore
MOTO98.RU © 2018 - 2026